定期報告制度における赤外線調査(無人航空機による赤外線調査を含む)
による外壁調査 ガイドライン
 
赤外線装置を搭載したドローン等による外壁調査手法に係る体制整備検討委員会
令和4年3月

定期報告制度における赤外線調査(無人航空機による赤外線調査を含む)による外壁調査 ガイドライン
 
本ガイドラインは以下に示す目次構成で「赤外線装置を搭載したドローン等による外壁調査手法に係る体制整備検討委員会」において取りまとめられた。
 
【目次】
 
1.総則
1.1 目的
1.2 適用範囲
1.3 用語の定義
 
2.実施者
2.1 赤外線調査の実施者
2.2 ドローンによる赤外線調査の実施者
 
3.赤外線調査
3.1 赤外線調査の概要
3.2 赤外線調査の適用条件の把握
3.2.1 適用条件
3.2.2 打診との併用の必要性
3.3 事前調査
3.4 調査計画書の作成
3.5 調査の実施(打診との併用による確認を含む)
3.6 熱画像による浮きの判定
3.7 報告書の作成
 
4.ドローンによる赤外線調査
4.1 ドローンによる赤外線調査の概要
4.2 ドローンによる赤外線調査の適用条件の把握及び飛行の可否と安全対策の検討
4.2.1 ドローンによる赤外線調査の適用条件
4.2.2 打診との併用の必要性
4.2.3 ドローンの飛行の可否と安全対策
4.3 事前調査
4.4 調査計画書の作成
4.5 調査の実施(打診との併用による確認を含む)
4.6 熱画像による浮きの判定
4.7 報告書の作成

赤外線装置を搭載したドローン等による外壁調査手法に係る体制整備検討委員会
委員名簿

(順不同・敬称略)
委 員 長

本橋 健司 芝浦工業大学名誉教授

副委員長

兼松 学 東京理科大学理工学部建築学科教授

委 員

阪上 隆英 神戸大学大学院工学研究科機械工学専攻教授

高橋 暁 国土交通省国土技術政策総合研究所住宅研究部長

眞方山美穂 国土交通省国土技術政策総合研究所住宅研究部住宅性能研究官

鹿毛 忠継 国立研究開発法人建築研究所材料研究グループ長

宮内 博之 国立研究開発法人建築研究所材料研究グループ主任研究員

協力委員

福井 武夫 国土交通省住宅局参事官(建築企画担当)付建築設計環境適正化推進官

今田 多映 国土交通省住宅局住宅局参事官(建築企画担当)付構造係

荒川実緒子 国土交通省住宅局参事官(建築企画担当)付構造・設備認定係

事 務 局

一般財団法人日本建築防災協会

定期報告制度における赤外線調査(無人航空機による赤外線調査を含む)による外壁調査 ガイドライン

1.総則
 
1.1 目的
本ガイドラインは、建築基準法第12 条第1 項の定期報告制度(以下「定期報告制度」という。)において、新技術によるタイル等外壁調査の合理化を図るため、赤外線装置による外壁調査(以下「赤外線調査」という。)、赤外線装置を搭載した無人航空機のうちドローンによる外壁調査(以下「ドローンによる赤外線調査」という。)を、平成20年国土交通省告示第282 号(改正令和4年国土交通省告示第110 号)(以下「告示」という。)に位置付けられているテストハンマーによる打診と同等以上の精度で実施するために必要な事項を定め、広く周知することを目的とする。
 
1.2 適用範囲
本ガイドラインは、定期報告制度において告示に示された調査項目のうち「2 建築物の外部 外壁 外装仕上げ材等(11)タイル、石貼り等(乾式工法によるものを除く。)、モルタル等の劣化及び損傷の状況」の調査方法として用いる「赤外線調査」に適用する。なお、本ガイドラインは航空法等の関連法令に基づき、外壁調査においてドローンの安全な飛行が可能となる技術の利用及び安全管理の対策を行った上で赤外線調査を実施することを前提とする。
 
1.3 用語の定義
本ガイドラインで用いる用語は、次による。
赤外線調査
赤外線装置により撮影されたタイル貼り等の被写体表面の熱画像で確認できる表面温度差によって、建築物外壁のタイル等の浮きの有無や程度を調査する方法。打診と同等以上の精度であることが確認された方法に限る。
〇赤外線装置
物体表面から放射される赤外線エネルギーの強度を映像化する装置。
〇熱画像
赤外線装置により映像化された赤外線放射エネルギー強度を見かけの温度に換算し、温度分布としてコントラストやカラーパターンに当てはめた温度画像。対象物の面的な温度情報を得ることができる。
〇(建築物)外壁調査
建築基準法第12 条第1 項に基づく定期報告制度における外壁調査。
〇特定建築物調査員等
建築基準法第12 条第1 項に基づく定期調査を実施する者。1級建築士もしくは2級建築士又は建築物調査員資格者証の交付を受けている者。
〇外壁調査実施者
建築物所有者等の依頼のもと、本ガイドラインに基づき外壁調査を実施する特定建築物調査員等。
赤外線調査実施者
本ガイドラインに基づき赤外線調査を実施する者。
浮き
タイル、モルタル、コンクリート躯体などの異種材料の接着界面に発生する間隙のことであり、乾湿や温冷などの変化による繰り返し応力が接着界面に作用し、接着強さとのバランスが崩れ、接着が弱いところに生じる。微小な浮きは、肌分かれなどと呼ばれることもある。浮きが進行するとタイル等が面外に変形し、はらみ、又はふくれになる。
〇打診
テストハンマーにてタイル等の仕上げ面を軽打して発生する音質から浮き等を調査する方法。
〇可視カメラ
可視光線を受光して、映像化する装置。
〇可視画像
可視光線で通常のカメラ等で撮影することで得られる画像。赤外線サーモグラフィ等と組み合わせて用いると、熱画像で得られない情報(壁面の汚れ、補修跡、陰影等)が明確になることがあるので、取得した熱画像の解析(浮きの分析)を行う際に調査結果の判定がより正確になる。
〇無人航空機
航空法第2 条第22 項に定義される「無人航空機」をいう。ドローン(マルチコプター)、ラジコン機、農薬散布用ヘリコプター等が該当する。
〇ドローン
無人航空機のうち、3つ以上のプロペラを搭載した回転翼機(マルチコプター)。
〇ドローン調査安全管理者
本ガイドラインに基づき外壁調査においてドローンを安全に管理・運用し、ドローンの操縦者へ適切な指示をする者。
〇操縦者
本ガイドラインに基づきドローンの操縦を実施する者。
〇係留装置
十分な強度を有する紐等でドローンを係留する安全装置。

1.1 の解説】
建築基準法では、建築物を使用する前の段階で、「建築確認、完了検査」の手続きを行い、建築物の適法性を確認している。建築物使用後も引き続き、適法な状態を確保し続けることの重要性から、所有者や管理者に定期的な調査や報告を求めることとしている。これが「定期報告制度」で、昭和34 年(1959 年)の建築基準法の改正により、新設されたものである。
その後、建築基準法等の改正や社会情勢等により見直しが行われ(建築物・建築設備等の定期調査・検査報告書の資格者制度の変更、定期報告が必要な建築物への維持保全計画書の作成の義務づけ等)、現行の定期報告制度における調査方法等は、告示により定められている。
この改正において、竣工後、外壁改修後又は全面打診等を実施した後10 年を超え、最初に実施する定期調査等にあっては、落下により歩行者等に危害を加えるおそれのある部分を全面打診等により調査を行うこととなった。
全面打診による調査では、通常、仮設足場等の設置が必要になる場合が多く、建築物の所有者にとっては費用負担が大きい。そのため、仮設足場等の設置が不要な調査方法の一つとして赤外線調査が行われるようになった。しかしながら、赤外線調査には熱画像の撮影が困難とされている適用限界があるにもかかわらず、それらを守らずに調査が行われ、適正な診断が行われていない等の問題も指摘されている。
本ガイドラインの目的は、同制度に基づく赤外線調査、及びドローンによる赤外線調査についてテストハンマーによる打診と同等以上の精度と判断するために適切な要領を示し、同制度に規定されているタイル、石貼り等(乾式工法によるものを除く。)、モルタル等外壁の仕上げ材等がはく落して歩行者等に与える被害を未然に防ぐことに資することを目指すものである。
浮き等の発生原因を確認するための詳細調査、また補修・改修方法の検討やその工事範囲や積算数量の算出のための調査は、本ガイドラインによる外壁調査の対象外である。これらの目的の外壁調査は別途、適切に実施する必要がある。
なお、本ガイドラインは、建築基準法第12 条の中でも第1項に基づく調査に対する定期報告のための調査に適用することを意図しているが、第2項における点検に用いることを妨げるものではない。
 
補足であるが、調査結果は、危険部位の是正の要否の判定基準、「外壁タイル等に剥落等があること又は著しい白華、ひび割れ、浮き等があること(平成20 年国土交通省告示第282 号)」に資する情報として、特定建築物調査員等へ提供される。また、はく落は、建築基準法施行令第39 条(屋根ふき材等の緊結)で、「風圧、地震その他の震動及び衝撃によって脱落しないようにしなければならない」ということから、はく落が見られた場合は即「要是正」と判定するようになっている。その他の「著しい」という判断は、安全性を含めて特定建築物調査員等に委ねられている。
 
本ガイドラインで示されている無人航空機とは、航空法第2条第22 項に定義される「航空の用に供することができる飛行機、回転翼航空機、滑空機、飛行船その他政令で定める機器であって構造上人が乗ることができないもののうち、遠隔操作又は自動操縦(プログラムにより自動的に操縦を行うことをいう。)により飛行させることができるもの(その重量その他の事由を勘案してその飛行により航空機の航行の安全並びに地上及び水上の人及び物件の安全が損なわれるおそれがないものとして国土交通省令で定めるものを除く。)」をいう。無人航空機は、ドローン(マルチコプター)、ラジコン機、農薬散布用ヘリコプター等が該当する。
この中で、本ガイドラインは無人航空機の中でもドローン(マルチコプター)を対象にし、ドローンの飛行に関わる法令については航空法に従う形で利用されることを想定している。
これより、本文においては航空法が規定する無人航空機の範疇の中でのドローンの活用について規定する。
 
【1.2 の解説】
本ガイドラインの適用範囲は、定期報告制度において告示に示された「2 建築物の外部外壁 外装仕上げ材等(11)タイル、石貼り等(乾式工法によるものを除く。)、モルタル等の劣化及び損傷の状況」の調査において用いる「赤外線調査」としている。
適用範囲の中に記載している「乾式工法」については同告示に定義はないが、「乾式工法によるタイル、石貼り等」については、(一財)日本建築防災協会の「特定建築物定期調査業務基準」(以下、「業務基準」という。)1)に、表1.2-1 のように説明がなされている。

表1.2-1 乾式工法によるタイル、石貼り等の定義
乾式工法によるタイル、石貼り等

タイル割に合わせて躯体に取り付けられた下地金物にタイルを引っかけて仕上げたもの

*業務基準 2021 年版より引用((一財)日本建築防災協会)
 
この説明を踏まえると、適用範囲としている、「タイル、石貼り等(乾式工法によるものを除く。)、モルタル等の仕上げ材」については、タイル割に合わせて躯体に取り付けられた下地金物にタイルを引っかけてモルタルによる接着を用いずに仕上げたものを除いたタイル、石貼り等となる。これについても業務基準において、表1.2-2 のような説明がなされている。
 

表1.2-2 タイル、石貼り等(乾式工法によるものを除く。)、モルタル等の定義
タイル、石貼り等(乾式工法によるものを除く。)、モルタル等

仕上げ材の下地材としてコンクリート、プレキャストコンクリート(PC)パネル、ALCパネルなどにモルタルまたは接着剤等で張り付けられたタイル、石貼り等及び現場、工場等でコンクリートなどと同時に打ち込まれたもの

*業務基準 2021 年版より引用((一財)日本建築防災協会)

下地材の種類などの条件によっては、赤外線調査が技術的に困難と考えられる場合や、十分な技術的情報が得られない場合もあるので注意が必要である。これらに関する注意事項は、「3.2 赤外線調査の適用条件の把握」をあわせて参照すると良い。
本ガイドラインは、赤外線調査に先立ち、原則として定期報告における他の調査項目と併せて実施されることになるため、業務基準に定められている「予備調査」が適切に実施されていることを前提としている。
なお、定期報告制度の外壁調査には、次の2つがある。
① 建築基準法施行規則第5条に定める報告時期でおおむね6月~3年に一度実施する調査
② 竣工後、外壁改修後又は全面打診等(落下により歩行者等に危害を加えるおそれのある部分の全面的な打診等)を実施した後10 年を超え最初に実施される定期調査
 
告示に示された「2 建築物の外部 外壁 外装仕上げ材等(11)タイル、石貼り等(乾式工法によるものを除く。)、モルタル等の劣化及び損傷の状況」の調査方法で開口隅部、水平打継部、斜壁部等が示されているが、これらの部位は他の部位と比較し浮き等が生じやすい。
よって手の届く範囲は、目視及び(テストハンマーによる)打診により入念に確認することが望ましく、その他の部分は必要に応じて双眼鏡等を使用し目視により確認することとなっている。
赤外線調査を適用する際は、打診で確認した浮きの箇所について診断精度の校正を目的とした確認を必ず実施する(手順等については、「3.2.2 打診との併用の必要性」を参照するとよい。)。
定期報告制度における赤外線調査に対してドローンを用いて実施する場合には、建築物周辺におけるドローンの安全飛行とその対策も必要不可欠となる。例えば、①ドローンの飛行に関わる各法令・ルールを遵守し、②ドローンの飛行・運用に関わる安全対策を講じた上で、③ドローンを利活用して外壁調査を実施することとなる。
①ドローンの飛行に関わる各法令・ルールに抵触するのかどうかは、ドローンの飛行空域(場所)と飛行方法に応じて異なる。関連法令としては、航空法、小型無人機等飛行禁止法、道路交通法(第76 条、第77 条)、民法( 207 条)、自治体による条例等による規制、電波法(特定無線設備の技適基準適合証明、通称:技適)等があり、ドローンを取り巻く規制は日々
複雑化している。これより調査の前に、関係法令や国の環境整備について確認が必要となる。
この中で最も注意すべき法令は航空法であり、航空法を遵守した上で他の法令との関連性を確認した上で、②ドローンの飛行・運用に関わる安全対策を講じることが原則である。航空法は2015(平成27)年4月の首相官邸無人機墜落事件により、同年12 月に改正され、無人航空機(ドローン等)の定義や飛行ルールが定められた。2022(令和4)年1月時点で、ド
ローンの飛行許可申請が必要となる要件は、飛行空域と飛行方法に分類されている。飛行空域について、(A)空港等の周辺の上空の空域、(B)緊急用務空域、(C)150m 以上の高さの空域、(D)人口集中地区の上空の4つの空域に該当する場合は、飛行許可申請が必要となる。例えば、都市部での建築物の調査については(D)が該当する場合が多い。飛行方法については下記の[1
~10]のドローンの飛行ルールが定められている。この中で[5]~[10]のルールによらずに無人航空機を飛行させようとする場合には、地方航空局長の承認を受ける必要がある。
 
[1]アルコール又は薬物等の影響下で飛行させないこと
[2]飛行前確認を行うこと
[3]航空機又は他の無人航空機との衝突を予防するよう飛行させること
[4]他人に迷惑を及ぼすような方法で飛行させないこと
[5]日中(日出から日没まで)に飛行させること
[6]目視(直接肉眼による)範囲内で無人航空機とその周囲を常時監視して飛行させること
[7]人(第三者)又は物件(第三者の建物、自動車など)との間に30m 以上の距離を保って飛行させること
[8]祭礼、縁日など多数の人が集まる催しの上空で飛行させないこと
[9]爆発物など危険物を輸送しないこと
[10]無人航空機から物を投下しないこと
なお、ドローンによる赤外線調査は、航空法で定めている飛行方法の[7]番に関わる、第三者や第三者の物件に対して離隔距離30m 未満のドローン飛行になり、さらには航空法で定めている飛行空域(D)人口集中地区での飛行で実施する場合が多いため、一般的にドローンの飛行許可申請が必要になることが前提となる。しかし、2021(令和3)年9月の航空法施行規則の一部改正により、十分な強度を有する紐等(30m 以下)で係留し、飛行可能な範囲内への第三者の立入管理等の措置を講じてドローン等を飛行させる場合は、上記の許可・承認が不要となった。また煙突や鉄塔などを含む高層の構造物の周辺は、航空機等の飛行が想定されないことから、地表又は水面から150m 以上の空域であっても、当該構造物から30m 以内の空域については、無人航空機の飛行禁止空域(規則第236 条第1項第5号)から除外されることになった(ただし、空港等の周辺の空域及び緊急用務空域については、物件から30m以内であっても引き続き許可が必要である。また、人口集中地区にかかるようであれば、当該手続きも必要である)。これより現行の航空法においては、本ガイドラインが対象とする建築物の外壁調査に対しては、壁面からの離隔距離30m 以下で十分な強度を有する紐等(30m 以下)で係留する場合は一部区域を除き航空法に基づく飛行許可・承認が原則不要となり、ドローンの飛行においては規制緩和された。従って、ドローンを利用した建築物の外壁調査においては、係留装置を利用するかどうかの判断を行うことが重要となる。
ドローンによる赤外線調査は、前述の「赤外線調査」と同じ適用範囲や手順で実施することを前提として考える。また、ドローンによる赤外線調査は、一般的に調査対象建築物壁面に対する赤外線装置の撮影位置からの離隔距離と撮影角度(仰角、水平角)等に対して適用限界を超える壁面を対象にする場合に実施することを想定している。これより事前調査により、ドローンを利用しない赤外線調査、あるいはドローンによる赤外線調査の適否の判断を
行うこととする。
一方、建築物周辺のドローンの飛行環境の不適、悪化等の観点から飛行が不可能であると判断された場合は、例え赤外線調査の適用条件を満足した場合であっても、ドローンによる赤外線調査を中止することとする。あるいは、ドローンの飛行の難易度が高い場合は、前述の2021(令和3)年9月の航空法施行規則の一部改正で規制緩和された、十分な強度を有する紐等(30m 以下)で係留し、かつ飛行可能な範囲内への第三者の立入管理等の措置を講じてドローン等を飛行させる場合などの対策を講じて安全確保を行うこととする。
これらに関する注意事項は、【4.2 ドローンによる赤外線調査の適用条件の把握及び飛行の可否と安全対策の検討】を併せて参照するとよい。

【1.3 の解説】
本項では、定期報告制度及び外壁仕上げ材等に関わる用語のうち、特に重要と考えるものについて定義した。
〇赤外線調査:
赤外線装置により撮影されたタイル貼り等の被写体表面の熱画像で確認できる表面温度差によって、タイル等の浮きの有無や程度を調査する方法。タイル貼り等の外装仕上げが施された外壁の劣化、損傷状態を調査する際に用いる非破壊検査技術のひとつであり、仮設足場等が不要となるという特徴がある。
〇特定建築物調査員等:
定期調査報告業務が実施できる者であり、一級建築士もしくは二級建築士、又は特定建築物調査員資格者証の交付を受けている者であることが、建築基準法第12 条に規定されている。特定建築物の定期調査項目は132 にものぼり、外壁調査はその1 つの項目である。外壁調査については、特定建築物調査員等が自ら実施する場合もあるが、調査会社等に委託するケースもある。いずれの場合でも、赤外線調査を行う際には本ガイドラインに基づいて業務を行う。
〇赤外線調査実施者:
本ガイドラインに基づき赤外線調査を実施する者。特定建築物調査員等が赤外線調査を実施する場合は、特定建築物調査員等が本ガイドラインの外壁調査実施者及び赤外線調査実施者を兼ねることができる。赤外線調査実施者には、建築物及び外壁の赤外線調査に関する十分な知識を有していることが求められる。
〇ドローン調査安全管理者:
外壁調査に関するドローンの管理・運用に関する職務を遂行し、ドローンの操縦者に対して適切な指示をする者とする。ドローン調査安全管理者は、ドローンを使用して建築物の調査を行う者の中に一人以上配置する。ドローン調査安全管理者としては、例えば、(一社)日本建築ドローン協会で定義している「建築ドローン飛行管理責任者」が該当する。建築ドローン飛行管理責任者は、(一社)日本建築ドローン協会「建築物へのドローン活用のための安全マニュアル」2)を教材とし、建築ドローン安全教育講習会を通して法令、ドローン制御技術と安全技術、施工管理、建築物の点検調査等について網羅的に教育を受け、考査を経て合格した者(建築ドローン安全教育講習修了者)が就くことができる。
 
なお、本ガイドラインで用いる用語以外に、赤外線調査においてよく用いられる用語を以下に解説する。
〇欠損:
はく落のほか、仕上げ材の欠け、脱落等をいう。
〇タイル陶片浮き:
タイルと接着用の張り付けモルタルとの間が付着していない状態をいう。
〇ディファレンシャルムーブメント:
温湿度膨張係数が異なる材料で構成されるタイル仕上げ部分が温湿度変化を受けると各材料の温湿度膨張係数の違いによって各構成材に異なった伸縮が発生する。その動きをいう。
〇赤外線:
可視光線の長波長端から電波の短波長端までの電磁波であり、その波長範囲は、0.72μ m から1000μm までである。肉眼で見ることができない光線で、スペクトルで赤色の外に現れるものをいう。
〇赤外線カメラ:
対象物の表面から生じる赤外線放射エネルギーを検出し、その強度分布を画像表示する装置。温度計測機能を有さない点が、赤外線サーモグラフィと異なる。赤外線カメラにより撮影された画像を赤外線画像という。
〇赤外線サーモグラフィ:
対象物の表面から生じる赤外線放射エネルギーを検出し、見かけの温度に変換し、その分布を画像表示する装置、またはその方法。赤外線サーモグラフィによって得られた画像を熱画像という。撮影された画像は装置のメモリカード等に記録でき、インターフェースから信号出力することなどができる。
〇空間分解能:
赤外線サーモグラフィにおいては、赤外線検出素子1 画素(1 ピクセル)あたりの視野角(単位:rad)をいう。
○シェーディング現象:
視野中心部に比べて視野枠付近が、影が掛かったように円筒状のノイズが生じる現象。赤外線装置の場合、画像中心部の温度に比べて画像周囲の温度が変化し、実際とは異なる温度分布が表示される現象として現れる。この現象は、外壁調査においては浮きの検知性能を低下させる要因となる。
外壁調査の際、シェーディング現象が確認された場合、調査結果の精度を確保するために熱画像の中心部分のみで浮き等を評価する必要がある。
なお、 可視光の場合は、光源の向きやレンズの影響によって生じる明るさのムラとして現れる。

〇GNSS(Global Navigation Satellite System):
複数の測位衛星から時刻情報つきの電波を発信し、地上の受信機で受信することで現在位置を把握する衛星測位システムの総称。なお、GPS(global positioning system)はGNSS のひとつでアメリカ合衆国が開発したシステムである。
〇SLAM(Simultaneous Localization and Mapping):
カメラで撮影された映像から環境の3次元情報とカメラの位置姿勢を同時に推定する技術。例えば、2020(令和2)年度に実施されたNEDO 事業「規制の精緻化に向けたデジタル技術の開発/ドローン等を活用した建築物の外壁の定期調査に係る技術開発」において開発された「近接調査用ドローンシステム」において、ドローン飛行時にGNSS の位置情報が安定しない場合にシームレスに自動でVisual SLAM に切り替わる機能を備えたドローンなどが該当する。
〇1点係留装置:
ドローンと係留装置間を十分な強度を有する紐等(係留索)で結び、飛行させる装置。
〇2点係留装置:
外壁面から一定の離隔距離を設けて、建物屋上等上方と地上間の2点を十分な強度を有する紐等(主索)を一定の緊張力で固定し、その2点間(主索間)においてドローンを係留して上下に飛行させる安全装置
〇多点係留装置:
外壁面から一定の離隔距離を設けて、屋上・地上・壁面上にある3点以上の固定位置に十分な強度を有する紐等(主索)で結び、その紐等にドローンを係留して上下・左右方向に面的に飛行させる装置。
 

2.実施者
2.1 赤外線調査の実施者
赤外線調査実施者は、建築物及び赤外線調査に関する十分な知識を有し、建築物調査等の実務経験を有する者とする。赤外線調査実施者は、赤外線調査における熱画像の撮影(赤外線調査実施者の指示のもと補助者又は操縦者が撮影した場合を含む。)、分析、浮きの判定を行い、その責任を負う。
外壁調査実施者は、赤外線調査全体を統括し赤外線調査実施者が実施した浮きの判定結果を基に「著しい浮き」の有無を確認する。
2.2 ドローンによる赤外線調査の実施者
赤外線調査実施者及び外壁調査実施者は、「2.1 赤外線調査の実施者」による。
ドローン調査安全管理者は、建築物調査、かつドローンの飛行に関する知識を有する者とし、ドローンの管理・運用に関する作業全体を統括し、操縦者、補助者等を掌握する。ドローンに関連する職務の遂行は、ドローン調査安全管理者が責任を負う。
操縦者は、ドローンの飛行技術について熟知した操縦経験を有する者とし、建築物の規模等に応じて補助を満足する体制で構成する。

【2.1 の解説】
赤外線調査実施者とは、建築物の設計図書の内容や赤外線装置の取扱いに関する知識のほか、欠陥による温度変化や反射などの影響による変温部を理解しそれを見逃さないための撮影、画像分析ができる技術者をいう。
現在、赤外線装置は低価格で性能の良いものが普及しているため、赤外線装置を購入すれば、容易に熱画像を撮影することができるようになっている。しかしながら、浮きの分析を行うための熱画像の撮影においては、撮影時の天候や時間帯、周辺建築物の影や反射光などの影響を判断し、また建築物の外装材の仕様などによっても浮きの検出に違いがあることなど、赤外線調査に関する知識や技術が必要になる。さらに、浮きの分析には、調査対象外壁の仕様とともに外壁の内側にある室内空間の用途や設備機器等による影響などを踏まえて画像分析を行わなければならないため、建築物の設計図書を読み解く能力も必要不可欠である。
このような理由から、赤外線調査は赤外線装置法に関する知識及び建築物に関する知識を十分に有する者が赤外線調査実施者として業務にあたることとしている。
本ガイドラインでは赤外線調査実施者が熱画像を撮影することとしているが、赤外線調査実施者の指示を受けていれば、赤外線調査実施者以外の補助者、またはドローンに搭載した赤外線調査においては操縦者が、熱画像を撮影する(シャッターを押す)ことも可としている。
熱画像の分析及び浮きの判定は、赤外線調査実施者が行うこととしているので留意されたい。熱画像の浮きの分析は、刻々と変化する天候や日射等の状況、調査対象建築物の立地条件と周辺建築物から受ける反射光等の影響を踏まえて行う必要があり、それらができなければ適切な結果を出すことはできない。そのため、熱画像の浮きの分析は、実際に現地で撮影を行い、撮影時の状況を把握している赤外線調査実施者が実施する。
 
赤外線調査実施者は、赤外線調査における熱画像の撮影・分析だけでなく浮きの判定結果まで責任をもって行う。外壁調査全体の責任者(特定建築物調査員等)が別にいる場合は、その者が外壁調査実施者となる。
赤外線調査の実施については、例えば、「タイル外壁及びモルタル塗り外壁 定期的診断マニュアル(改訂第3版) 公益社団法人 ロングライフビル推進協会」3)などを参考にするとよい。
 
建築基準法第12 条の特定建築物定期調査は、当該建築物の所有者または管理者の依頼者のもと、「特定建築物調査員等」が調査を行い、その結果を所有者または管理者が特定行政庁へ報告するものである。落下により歩行者等に危害を加えるおそれのある部分の全面的な外壁調査においては、「特定建築物調査員等」が自ら打診等により調査を実施する場合と、外壁調査を専門の調査会社にさらに依頼して実施する場合がある。一般的に、赤外線調査については、専門の調査会社に依頼するケースが多い。最終的に定期報告対象建築物の外壁の調査結果が「要是正」であるか等の判断は、専門の調査会社から提出された調査結果(判定結果)または自らが直接実施することで得られた調査結果を参考に「特定建築物調査員等」が判断する。
 
本文では特に規定はしていないが、赤外線調査は他の建築物の調査と同様に、対象建築物の規模、調査可能な時間などを考慮し、適切な人数で実施する必要がある。調査においては責任者となる赤外線調査実施者を設置し、複数人で構成される場合は、調査助手を指揮下に置くなどして行動を掌握する。また、建築物の利用者や通行人などへの安全確保についても十分に配慮し、必要に応じて保安員等の要員の配置なども検討する。
 
赤外線装置による撮影、診断は、例えば(一社)日本非破壊検査協会が実施している JISZ 2305 非破壊試験-技術者の資格及び認証(TT:赤外線試験技術者)の適格性証明(免許証ではない)がある。またはこれと同等の赤外線装置法に関する知識と技量を有する技術者が実施することが望ましい。
また、赤外線調査による外壁調査を実施している団体・協会で設置している民間資格などもあり、これらの団体・協会では、技術者認証以外にも技術の向上・普及を目的として、外壁調査に主眼をおいた赤外線調査に関する講習会や実技研修会、定期報告制度や外壁調査に必要な建築物に関する講習会なども開催されている。これらの機会を活用し、赤外線調査による診断精度を高めるための継続的な取組みが望まれる。
定期報告制度における外壁調査は、赤外線調査に関する技術だけではなく、建築物に関する知識も必須である。また、赤外線調査においては、打診調査結果との比較および計測(撮影)した結果の照合が必要なことから、外壁の打診調査の技術と経験が求められる。今後、ドローンによる外壁調査を行う調査会社も増えてくるものと予想される。新たに赤外線調査実施者として外壁調査を担当する者には、「赤外線調査に関する技術と建築物に関する知識の両方が必要であり、これらを有していなければ適切な分析はできない。」ということをよく理解し、それぞれについて技術や知見を習得できる講習会等の活用をお願いしたい。

【2.2 の解説】
ドローン調査安全管理者は、外壁調査実施者あるいは赤外線調査実施者との業務を滞りなく遂行するために、外壁調査を含めた一般的な建築知識が必要となる。さらに、ドローン操縦者に安全管理を含めて適切に指示するために、ドローンに関わる法令や機体操縦と運用等を含めた一般的な知識も兼ね備えておくことも必要となる。本ガイドラインではこれら建築側とドローン側の両方の知識(経験を含む)を持つ者をドローン調査安全管理者とする。
ドローン調査安全管理者として、例えば、(一社)日本建築ドローン協会で実施している建築ドローン安全教育講習会を修了した者が就く建築ドローン飛行管理責任者が挙げられる。本ガイドラインではドローン調査安全管理者の定義・条件・役割について、建築ドローン飛行管理責任者を参考に以下に説明することとする。
①ドローン調査安全管理者が習得すべき知識と役割
ドローン調査安全管理者が習得すべき知識の例として、(一社)日本建築ドローン協会が主催する建築ドローン安全教育講習会における建築ドローン飛行管理責任者を参考に以下に説明する。建築ドローン飛行管理責任者が習得すべき内容は、同講習会で使用される「建築物へのドローン活用のための安全マニュアル」の中で提示している。このマニュアルの第1章では、建築業務においてドローンを安全に運用することを前提とした適用範囲、基本方針、関係法令等の基礎を説明している。第2章では、ドローンの活用に関わる建築知識を説明している。第3章では、建築業務でドローンを活用する際に必要となるドローンの制御技術、搭載機器、電波・無線に関する技術について記述している。第4章からは実用編となり、建築現場における施工管理に関わるドローン飛行時の安全管理を徹底させることを重要視し、責任体制、飛行計画等について建設現場で適用できるように示している。第5章では、ドローンを活用して安全に建築物の点検・調査を実施することを前提とした、要求事項と優先順位、調査手順、予備調査、調査結果報告までの一連の過程を詳述している。ドローン調査安全管理者の役割についても、建築ドローン飛行管理責任者を参考として以下に示す。図2.2-1①に示すように、建築物の点検・調査においてドローンを使用する上で配置し、ドローンに関連する職務の遂行に責任を負う者を建築ドローン飛行管理責任者と定義し、建築を専門とする調査者とドローンを操縦する者のコーディネーターの役割を担うシステムとしている。また、図2.2-1②に建築ドローン飛行管理責任者の責務と権限を示す。この建築ドローン飛行管理責任者は、建築に係わるドローンによる業務の遂行と責任を負う。業務内容、安全対策の一切を把握し、ドローンの飛行時は常時立ち会い、業務において危険と判断した際に、ドローンを飛行させる者の業務の中止の権限を持つとしている。また、建築ドローン飛行管理責任者の職務内容については、図2.2-1②に示す。ドローンを活用した建築物の調査における建築ドローン飛行管理責任者の役割例を図2.2-1③に示す。なお、この建築ドローン飛行管理責任者は、ドローンを操縦する技能を要求するものではなく、調査業務における安全・品質確保や協議・調整等の業務全般の管理を担当する。例えば、建築ドローン飛行管理責任者は、点検・調査現場においてドローン事業者等関係者に対して飛行計画作成・承認段階から実行までの管理を実施し、かつドローンで撮影するデータ取得に至るまで適切に管理する役割を担当する。
 

 
ドローン調査安全管理者が行うべき安全対策について表2.2-1 に示す。ドローン調査安全管理者は、役割分担、関係者の安全装備と体調管理、飛行禁止・作業区域の明確化、機体の点検と安全装備・システム、緊急時の操作方法と連絡体制、フェールセーフを考慮した安全対策を行うことが求められる。
表2.2-1 ドローン調査安全管理者が行うドローンを活用する上での安全対策
((一社)日本建築ドローン協会 建築ドローン飛行管理責任者を参考)

 

役割分担・指揮系統

役割分担及び責任の所在を明確にする

関係者の安全装備

建築ドローン飛行管理責任者、操縦者、誘導員、監視員等の身の回りの装備

飛行禁止区域の明確化

建築物、仮設物、道路等インフラからの離隔、近隣家屋からの距離を数値化して明示

作業区域の明示

調査計画時での飛行計画にドローン飛行関係者の位置を明示

安全装備類(機体の墜落・接触防止装置)

プロペラガード、係留装置、トラロープ、バリケード、パラシュート、バッテリーの冗長性

安全システム(ソフト面)

センサー類、ジオフェンス等のフェールセーフ機能、バッテリーのインテリジェント機能

緊急時の操作方法

アクシデントが生じた際のドローンの安全対策

緊急時連絡体制

自社及び現場責任者、関係会社、その他メーカーや最寄りの病院などを記載

 
また、前述のとおり、国土交通省航空局の定めるドローンを飛行させる条件(ドローンの飛行に関する許可・承認を得るための事項として、飛行領域、時間、業務の内容の把握、ドローンの機能・性能の適合性、操縦者等に関する飛行履歴・知識・能力、等)を満足することが前提条件として必要となる。建築ドローン飛行管理責任者は、(一社)日本建築ドローン協会の発行する「建築物へのドローン活用のための安全マニュアル」における、ドローンを活用した建築物の調査に関わる書類及び表2.2-2 に示す「ドローン飛行計画書」作成項目を参考にするなど、ドローンの飛行と安全に関わる一連の事項(概要、調査方法、仕様・性能等、安全管理、添付資料)についての基礎知識を習得していることを前提としている。

 

表2.2-2 ドローン飛行計画書作成項目(日本建築ドローン協会様式)

大項目

項目

内容

 

概要

調査目的

調査の目的を記載

調査対象建築物

住所・建築物名・階高等を記載

調査内容と調査範囲

対象建築物と調査部位の情報、及びドローンを調査する上での調査

水準を明記

国土交通省許可番号 ※1

ドローン飛行に対する安全許可の有無

JADA 建築ドローン安全教育講習 修了証番号 ※2

ドローンを活用した建築物の調査に対する安全対策の確認

加入保険 ※3

加入している保険(賠償保険、機体保険等)と補償額を記載

 

調査方法

調査手段と撮影方法

可視カメラ、赤外線カメラの使用機材、撮影方法について記載

調査環境条件

ドローンが安全に飛行可能な条件を事前に決め、現場におけるドローンの飛行に影響を及ぼす要因を記載

作業区域の配置図

建築物全景及びドローンが飛行する建築物周りの情報が分かる写

真、図面を記載もしくは添付

飛行ルート図

調査面毎に飛行ルートと距離を記載

 

仕様・性能等

建築ドローン飛行管理責任者、操縦者等の氏名

建築ドローン飛行管理責任者、操縦者、補助者等の氏名を記載

飛行経歴

操縦者のドローン飛行経歴を記載

使用機体の名称

使用する機体の名称を記載

使用するカメラ

ドローン調査で使用するカメラの記載

持込機材

現場に持込む機材について記載

 

安全管理

安全対策

役割体制・指揮系統、作業区域の明示、ドローン安全装備類・安全

システム、緊急時の操作方法等

緊急時連絡体制

関係部署へ連絡できる体制を整える

 

添付資料

※1: 国土交通省「無人航空機の飛行に関する許可・承認申請書」「無人航空機の飛行に関する許可・承認書」のコピーを添付

※2:(一社) 日本建築ドローン協会「建築ドローン安全教育講習修了証」のコピーを添付

※3:加入している保険証のコピーを添付

その他、機体及び付属品の仕様、点検票、会社経歴、打合せ議事録等


 
②ドローンによる赤外線調査の実施体制
ドローンによる赤外線調査の実施体制は、外壁調査実施者、赤外線装置を扱う赤外線調査実施者及びドローンを扱うドローン調査安全管理者、操縦者等から構成し、必要に応じて補助者等を配置する。なお、それぞれの要件を満たす者による実施業務に支障のない範囲での兼務は妨げない。
外壁調査実施者は、建築物所有者等の依頼に基づき外壁調査を実施する。調査にあたっては赤外線調査実施者及びドローン調査安全管理者との緊密な連携を行い、効率的かつ確実に実施し全体を統括する。
赤外線調査実施者は、建築物及び赤外線装置法に関する十分な知識を有し、建築物調査等の実務経験を有する者とし、赤外線装置法により外壁の熱画像を撮影した者が、熱画像の浮きの分析を行う。
ドローン調査安全管理者は、建築物調査、かつドローンの飛行に関する知識を有する者とし、ドローンの飛行に関する作業全体を統括し、操縦者、補助者等を掌握する。操縦者は、ドローンの飛行について熟知した操縦経験を有する者とし、補助者は、建築物の規模等に応じて配置する。
これら外壁調査実施者、赤外線調査実施者及びドローン調査安全管理者等の一般的な関係図を図2.2-2 に示す。
 

3.赤外線調査
3.1 赤外線調査の概要
赤外線調査は、「赤外線調査の適用条件の把握」、「事前調査」、「調査計画書の作成」、「調査の実施(打診との併用による確認を含む)」、「熱画像による浮きの判定」、「報告書の作成」の構成とする。
 
3.2 赤外線調査の適用条件の把握
外壁調査実施者及び赤外線調査実施者は、当該建築物における赤外線調査の適用条件及び打診との併用の必要性を把握し、事前調査により調査可能な部分を明確にした上で、当該部分を対象に赤外線調査を行う。
 
3.2.1 適用条件
外壁調査実施者及び赤外線調査実施者は、調査時の気象条件(天候、環境温度、風速等)、タイルの種類、適切な撮影角度や離隔距離の確保の可否、軒裏、出隅、入隅など一般に赤外線調査が困難な箇所の存在などを踏まえ、事前調査により赤外線調査に適さない部分の有無を確認し、調査計画に反映する。
 
3.2.2 打診との併用の必要性
外壁調査実施者及び赤外線調査実施者は、「3.5 調査の実施(打診との併用による確認を含む)」に先立ち、同一部位において打診と赤外線調査を実施し、赤外線調査による浮きの検出状況の確認を行い、その結果検出が難しいと判断される部位については測定条件の変更、打診での調査の対応とする。
 
3.3 事前調査
赤外線調査実施者は、「3.2 赤外線調査の適用条件の把握」を踏まえ、事前に予備調査に加えて現地調査を実施することを原則とする。
事前調査では以下の事項を実施する。
・定期調査業務に基づく予備調査
・日射の状況の確認
・調査可能な時間帯の確認
・建築物の構造・形状および外壁の仕上げ材の確認
・赤外線装置の設置位置の確認
・打診との併用による確認を実施する箇所の検討
・事前調査の結果確認
 
3.4 調査計画書の作成
赤外線調査実施者は、調査時に想定される天候、環境温度、風速、周辺建築物等からの放射熱の影響、調査前の降雨による外壁表面の状態、その他の注意事項を踏まえ、事前に調査計画を立案し、調査計画書を作成する。また、建築物の形状や調査当日の環境条件等によっては、撮影の時間帯や赤外線装置の位置や角度を変えて撮影することが必要になることもあるため、適切に対応できるように検討する。
調査計画書には以下の事項を含める。
・建築物概要
・調査実施体制
・調査実施日
・赤外線装置の設置箇所(配置図に記載)及び使用する赤外線装置の型式
・調査対象の外壁面のうち赤外線調査を実施する箇所及びその他の方法で調査を実施する箇所
・打診との併用による確認を実施する予定の箇所
・調査時の適用条件の確認方法
・その他必要な事項
赤外線調査実施者は、調査計画書の内容について外壁調査実施者へ報告し、確認を求める。調査対象範囲に赤外線調査の適用が難しい箇所がある場合は、外壁調査実施者は代替
方法を検討する。
 
3.5 調査の実施(打診との併用による確認を含む)
赤外線調査実施者は、調査の実施に先立ち、同一部位において打診と赤外線調査を実施し、赤外線調査による浮きの検出状況の確認を行った上で、「3.4 調査計画書の作成」に定めた調査計画に従い、調査を実施する。
調査後に分析を行った上で浮きを判定するため、撮影した熱画像は全て保存する。
 
3.6 熱画像による浮きの判定
赤外線調査実施者は、調査対象の建築物の立地条件や外壁の仕上げ材の種類、画像を撮影した時の環境条件等についてあらかじめ情報を整理し、反射等の外乱の影響を取り除きながら分析を行い、浮きを判定する。
 
3.7 報告書の作成
赤外線調査実施者は、調査結果の報告書を、以下の内容が含まれるように作成する。
(記載すべき項目)
① 建築物概要(建築物名、所在地、構造・階数、竣工年、仕上げ材の概要、補修歴)
② 調査実施体制(調査会社名、調査責任者名等、資格等)
③ 調査実施日、調査時の天候及び環境条件
④ 赤外線装置の設置箇所(配置図に記載)及び使用した赤外線装置の型式
⑤ 調査対象の外壁面のうち赤外線調査を実施した箇所及びその他の方法で調査を実施した箇所
⑥ 調査時の適用条件に関するチェックリスト
⑦ 打診との併用による確認を実施した範囲、結果の明示
⑧ 浮きと判定した箇所を明示した外壁調査結果図
⑨ 熱画像及び可視画像
(記載・添付が望ましい項目)
① 現地での作業フロー
 
外壁調査実施者は、赤外線調査実施者が作成した調査結果の報告書より、以下の内容が含まれた外壁調査結果報告書を作成し、外壁調査結果報告書・赤外線調査実施者が作成した報告書の一式を建築物所有者等依頼者へ提出する。建築物所有者等は、当該建築物の定期調査の結果を特定行政庁へ報告する。
(記載すべき項目)
① 外壁調査実施者の氏名、所持資格名(1級建築士あるいは2級建築士又は特定建築物調査員)及びその資格者番号
② 調査対象の部分
③ 告示に示す判定基準に基づく判定

【3.1 の解説】
赤外線調査を実施する場合の一般的な調査の流れを図3.1-1 に示す。これらは、全て赤外線調査実施者により遂行されることを想定しており、発注者への最終的な報告書の提出により完了する。ここで発注者は、特定建築物調査員等が考えられるが、特定建築物調査員等自らが赤外線調査実施者となる場合も考えられる。
従前より、赤外線調査の実施においては、撮影可能な季節や時間帯、日中の気温較差、壁面の方位や赤外線装置との距離などの適用限界が示されてお
り、本ガイドラインに基づいた調査を実施するにあたっても、これらの適用限界があることを正しく認識し、適用条件を満たした上で調査を行うことが必須である。
なお、本ガイドラインでは、診断精度の信頼性向上を図るため、特に次の2つの事項を確実に実施するよう規定した。一つは、打診との併用による診断精度の確認を行うことと、もう一つは熱画像の分析・浮きの判定は熱画像を撮影した者が実施することを求めている。前者については【3.2.2 打診との併用の必要性】、後者については【2.1 赤外線調査の実施者】の解説にその必要性が記載されているので参照されたい。

【3.2 の解説】
これまで赤外線調査において示されている「適用限界」には表3.2-1 に示す項目がある。これらは赤外線調査結果に大きな影響を及ぼすもので、検討や対応が不十分な場合は様々な誤診を引き起こす。外壁調査実施者及び赤外線調査実施者は、これらの項目について十分理解したうえで事前調査を実施し、調査計画に反映させなければならない。
 

表3.2-1 赤外線装置を用いて外壁を調査する場合の適用限界

 

季節、天候、時刻及び気温等の自然現象の影響を受ける
雨天または曇天で日中の気温較差が5未満、風速5m/sec の場合は測定できない
適切に熱画像を撮影できない測定角度がある(水平方向、鉛直方向ともに30°以内が望ましい)
熱画像の撮影が困難な壁面の方位、壁面と赤外線装置の距離がある
熱画像の撮影が困難な外壁の仕上げ材の材質・形状・色調及び下地材がある
建築物の形状(軒裏、出隅、入隅、ベランダ、庇等の突起物、笠木、雨樋等)によって適切に熱画像を撮影できないことがある
周辺建物や樹木、建築物に設置されている暖房機器等の影響を受ける

【3.2.1 の解説】
赤外線調査の調査日には、3.2 節の表3.2-1 に示した気象条件(天候、環境温度、風速等)の確認は必須である。この項目は調査を実施する際に確認する項目であるため、調査の実施を取り扱った【3.4 の解説】の(2)気象条件及び天候条件の判定に詳述した。こちらを確認していただきたい。
 
本項では、赤外線調査において「浮き」を見落とす可能性があるケースについて解説する。なお、定期報告制度においては、打診で「浮き」と判定される部分について見落としがあってはならない。「適用が困難」又は「適用限界」を超えた場合については、赤外線調査実施者は外壁調査実施者へ報告し、確認を求める。外壁調査実施者はテストハンマーによる打診等他の調査方法を検討する。
 
(1)熱画像の撮影角度
撮影角度は仰角、水平角ともに30°以内で実施することが望ましい。ただし、やむを得ない場合は45°程度まで許容できる(図3.2.1-1、図3.2.1-2)。この撮影角度を超える場合、浮きの検出性能の低下が懸念されるため、ドローン活用等を検討する。
 

 
(2)赤外線装置と壁面との離隔距離
赤外線装置と対象壁面との離隔距離は、赤外線装置の機器仕様(センサ画素数、レンズ画角)、設置位置が影響する。調査の主旨から、対象壁面100mm あたり4画素程度で計測できることを目安に離隔距離を決定する(図3.2.1-4 参照)。
一般的な調査対象建築物では、検出する対象の寸法条件によって、空間分解能から計算される測定最大離隔距離、角度を確認の上、測定する建築物の周囲環境から撮影の有無を検討する必要がある。
 
離隔距離(最大離隔距離計算)は、以下の式で計算できる。
離隔距離(最大離隔距離計算) = 25mrad( 100/4)÷ 空間分解能
(ここでは1 画素の視野角を25mrad に設定)
計算例1)
空間分解能=0.9mrad(ここでは、1m 先の1 画素がとらえている視野角)
25÷0.9mrad=27.7 27.7mが最大離隔距離となる。
計算例2)
空間分解能=1.2mrad
25÷1.2mrad=20.8 20.8mが最大離隔距離となる。
 

 
(1)、(2)においてそれぞれ規定値を超えると判断される場合は、ドローンによる赤外線調査を検討する(【4.2 ドローンによる赤外線調査の適用条件の把握及び飛行の可否と安全対策の検討】参照)。
 
(3)建築物状況
 
●適用が困難な壁面の方位
調査対象となる壁面の方位が北面の場合、日射が当たる時間が他の方位と比較して少ないため赤外線調査は著しく困難である。【3.2.2 打診との併用の必要性】【3.5 調査の実施(打診との併用による確認を含む)】において浮きの比較(判別)ができない場合は、実施しない。
 
●適用が困難なタイルの種類
赤外線調査では調査対象建築物の仕上げの種類によって周囲の建築物、植栽等の放射熱を反射し疑似温度変化を生じさせ、誤診を起こす可能性がある。
注意するべき外壁仕上げタイルの例として以下がある。
 
1) 反射の著しく強い施釉タイル
2) ラスタータイル(パールタイル、金属光沢を有するタイル)
3) 白色系のタイル
4) 凹凸の大きいタイル
また、深目地で施工されたタイル外壁についても、分析が難しくなるため注意が必要である。
 

 
タイルの材質や表面の光沢、凸凹による浮きの検出精度に関する既往の研究成果より、色の濃淡については濃い色の方が淡い色より浮き部の温度が高く検出される傾向があることが確認されている。
また、ラスタータイルと呼ばれている金属光沢のあるタイルや、タイル表面に凹凸があるものについては、浮き部と健全部とで明確な温度差の計測ができないことが明らかとなっている( 図3.2.1-5( a)( b))。ラスタータイルを含めてタイル表面に光沢や凹凸のあるタイルでは、赤外線調査の適用が難しいので、事前調査において、赤外線調査が適用できるかどうかを慎重に判断する必要がある。
現地で赤外線調査の適用が困難なタイルを確認する手法の一つとして、タイル壁面の「映り込み」の有無がある。隣接する建築物の映り込み( 図3.2.1-5( c) ) や近接する障害物の映り込み( 図3.2.1-5( d))が生じるものは一般的に適用が困難である。
また、赤外線装置の撮影者が外壁を撮影した際、熱画像に撮影者自身が映り込んだ場合( 図3.2.1-5(e)(f))は赤外線調査の適用は困難であると判断される。
 
●外壁仕上げ材の浮きの検出が困難な部分
外壁仕上げ材の浮きの検出が困難な部分として以下の箇所が挙げられる。
①軒裏
②出隅、入隅
③庇の鼻先
④笠木や窓台等の他の材質に接している部分の近傍
⑤雨樋や柱の日影となる部分
⑥窓枠近傍、開口隅部
⑦水平打継部
⑧斜壁
①軒裏は時間帯により軒の日陰となるため、日射量(蓄熱)が少なく浮きの検出が困難である。
 

 
②出隅、入隅部は平場と比較して日射量(蓄熱)に差が出るので分析時に注意が必要である。また、浮き発生の頻度が高く見落とす可能性がある。
 

 
③庇の鼻先は時間帯により日射量(蓄熱)が少なく浮きの検出が困難である。
また、庇の上部壁面は庇屋根の反射の影響が出る可能性が高い。
 

 
④笠木や窓台、手摺壁の天端等は、日射を上部と側面から受けて温度が高くなり、なおかつ金属製の笠木などの異なる材質と接している部分の近傍は熱伝導率や蓄熱量に差があることから、浮きの検出が困難である。また、下地モルタル等を厚くしている場合も想定されるのでできるだけ打診と併用することを念頭に置く。
 

 
⑤雨樋や柱の影は①と同様に日陰となるため、浮き・はく離の検出が困難である。
 

 
⑥窓枠近傍や開口隅部は鉄部等壁面温度差が大きく異なるため、浮きの検出が困難である。
 

 
⑦水平打継部は目地材がタイルの目地材と異なる場合がある。また、打継部は構造上、下地材料の膨張収縮や応力変形等の影響を受けやすいため、タイル等仕上げ材の浮きが発生しやすい。水平打継部は目視や可視画像で確認が困難なため、手の届く範囲の水平打継部で打診と赤外線調査を併用し、熱画像の映り方に注意をして調査をする。
 

 
⑧斜壁は撮影角度の点で地上から熱画像を撮影することは困難であるが、ドローンを活用することで適用できる場合がある。ただし、下地材に防水施工がされているなど通常の外壁と異なる場合があるので設計図書の外部仕上げ表等で仕上げ状況を確認したうえで赤外線調査の可否を判断する。赤外線調査を実施する場合には可視画像も同時に確認し、ひび割れ等の状態と併せて総合的に劣化状況を判定する。斜壁の赤外線調査は、可能な限り打診を併用することが望ましい。
 

 
●適用が困難な外壁下地材の種類
赤外線調査ではタイル下地の熱容量が小さい、または中空を有する板状材料など、下地材の種類によっては技術的に難しく適用困難な場合がある。事前調査にて下地材を確認する。
適用困難な下地材を以下に示す。
①木摺ラス
②鉄骨ラス
③ ALC
④押出成形セメント板
これらの下地が使われている場合は、赤外線調査が適用できないので他の調査方法の実施を検討する。
また、タイル先付けプレキャスト(PC)版は、通常のタイル張り外壁とは異なりコンクリート、モルタル等の積層構造ではないことから浮き代ができないため、浮き等の検出は困難である。なお、コンクリート打設時の不具合である「豆板や打継ぎ不良」、また鉄筋のかぶり厚さが適切でない場合に生じる「鉄筋腐食」により発生する空隙がごくまれにあり、これらの初期不具合を含めた劣化の検出に赤外線調査は適用できる。なお、型枠先付けタイルの外壁の場合も同様であるため、外壁がこれらの仕様になっているかどうかを事前に設計図書等で確認する必要がある。
●その他
赤外線調査においては、外壁に面する柱・梁、スラブの位置、また外壁に面する居室等の用途についても確認が必要である。設計図書(平面図や断面図等)で建築物内部に熱源となる機器等が設置されているかどうかを確認するなど(場合によっては建築物の内部も確認する)、建築物内部の使われ方を確認することにより、疑似温度変化による誤診を防ぐ。
例として、建築物内の熱が柱・梁、スラブ等に伝導して変温部として検出された例を図3.2.1-14 に示す。同図(b)のとおり、柱、梁、スラブと接している部分がヒートブリッジとなって高温となっているが、事前に設計図書を確認しておくことで誤診を防ぐことができる例である。
また階段室に面する外壁で、打診では健全であると判定された箇所が、赤外線調査により浮きと診断され、反対に打診で浮きと判定された箇所が赤外線調査で健全と診断された事例を図3.2.1-15 に示す。打診と赤外線調査で判定結果が異なった原因は、階段室に設置されていた常夜灯が熱源となって外壁の一部分の温度を高くしていたことが原因の一つと推測された。つまり、健全部に内部からの熱が伝わり外壁表面が高温になり、浮きと診断され、打診で浮きと判定された部分は相対的に常夜灯の熱が伝わった箇所よりは低い温度であったため、赤外線調査で浮きが検出できなかった、というものである。さらに分析すると、打診で浮きと判定された部分は周囲より低温側になっていることから適切な時間帯での撮影でなかったということ、さらに柱・梁のヒートブリッジと常夜灯の組合わせによる複数要因によるものであることが分かる。打診で浮きと判定された箇所が赤外線調査で健全であると診断されることは、危険側の判定となるため、避けたい判定である。正確な判定結果を導くためにも、また、外壁の温度に影響を及ぼすおそれのある設備機器等の有無を設計図書等で予め確認しておくことは、誤診を減らす意味でも重要である。

 

 
3.2.2 の解説】
本ガイドラインにおいては、調査対象壁面(方位)毎に外壁調査を始めるにあたって打診による判定結果を赤外線調査の診断精度の確認に使用することとしている。
打診との併用による確認とは、以下の2つの目的がある。
 
1) 赤外線装置により検出された浮き箇所と打診により確認された浮きの結果の比較
2) 赤外線装置による撮影開始時刻の決定
 
赤外線調査実施者が使用する赤外線装置の性能は様々である(本ガイドラインに示してあるのは最低条件)。赤外線装置がある一定の性能を有していても、対象建築物の仕様・形状や環境も調査毎に異なるため、赤外線調査実施者は調査当日に使用する赤外線装置を用いて打診で把握した浮きが検出できることを確認し、調査実施の妥当性のエビデンスとしなければならない。また、下地モルタルの厚さも外壁によって異なるため、仕上げ層内の浮き位置により日射が当たってからの蓄熱時間が検出に影響を及ぼすことから、使用する赤外線装置により検出できたことをもって調査開始とすることが前提となる。
赤外線装置により検出が難しいと判断される部位については、測定条件の変更や打診調査を検討する。
外壁調査開始時に行う打診結果との確認は、外壁のどの部分で確認を実施したのかを外壁調査結果報告書に記載する。同一外壁面でも仕上げ材が異なる部分がある場合は、その部分毎に確認を行う。ひび割れ等の劣化は浮き検出の判断材料となることから外観目視により把握する。打診は1階の外壁、各階の共用廊下、外部階段、屋上パラペット等の手の届く範囲について行う。手の届く範囲で浮きが確認できなかった場合は、その旨記載し撮影開始時刻
を記録する。
赤外線調査による測定結果と手の届く範囲の打診による判定結果は、以下の方法により比較を行い、計測(撮影)した結果の照合を必ず実施する。なお、打診で浮きと判断した箇所を赤外線装置で検出できない場合は、検出できるまで赤外線調査を実施しない。
  • 赤外線調査により健全と判断された部分について、各壁面1箇所約1m2 程度を打診により確認する。
  • 赤外線調査により浮きと判断された部分について、各壁面1箇所約1m2 程度を打診により確認する。
  • 打診により確認された健全部と浮き部の表面温度を赤外線装置で確認し、表面温度に差があること、また判断された健全部と浮き部の範囲が概ね同程度であることを確認する。
打診による確認調査での判定基準温度差は、本調査時に実施した打診による確認調査範囲を図面で確認し、打診によって確認された浮き部と熱画像の浮き部(表面温度の温度変化部)が一致する温度差とする。図 3.2.2-1 に示す熱画像では、浮き部 b 点の温度は 41.4℃、健全部 e 点の温度は 40.2℃であるため、基準温度差は 1.2℃となる。対象面積が広い場合など校
正点が多数ある場合には、最も近傍の校正点の温度差を基準温度差とする。表 3.2.2-1 に基準温度差の目安を示す。
 

 
「打診との併用の必要性」については、これまでにも各団体・協会で作成されている診断
マニュアル、テキスト等にも記載されているが、高性能な赤外線装置が使用されるようになれば、赤外線装置だけで外壁調査は可能ではないかとの指摘がある。
赤外線調査は、暴露された外壁面の浮きを検出する目的で行われるパッシブ法であるため、調査撮影日の天候・壁面の湿潤状態、日射量・蓄熱時間、タイル仕上げの下地やタイルの種類(色・材質によって放射率は変化)、などが検出精度に大きな影響を及ぼす。このことは赤外線装置の性能が向上しても、建築物の仕様・形状や環境において調査時にすべてを考慮した正しい使い方をしないと意味をもたない。
なお、これらの建築物の仕様や形状・仕上げ材の材質、近隣建築物からの放射の影響(撮影画像には反射エネルギーとして映り込む)、季節や天候、変化する日射の状況をすべて網羅した調査方法および診断のための判定基準を構築することは現時点ではまだ困難である。
前述の通り、条件の異なる調査対象外壁面で、打診で確認された箇所を調査で使用する赤外線装置で検出できることを確認する必要があり、また日射が十分に壁面に当たり赤外線調査を開始できるかの判断を行うためにも、打診との併用は必要になる。
赤外線装置自体が高性能になればわずかな温度差を拾うことが可能になり適用範囲の拡大
が期待できるが、それでも打診との併用は必要不可欠である。

【3.3 の解説】
【1.総則】の解説で述べたように、本ガイドラインは適切な「事前調査」が行われていることを前提としており、定期報告制度の定期調査業務の流れに示されている「予備調査」は業務基準等による。本項では、このような「事前調査」で得られた情報に加え、現地において赤外線装置法による外壁調査の計画及び実施にあたって必要となる情報を、現地調査により得ることを原則とした。すなわち、定期報告制度の中で全体として行われる「予備調査」により得られる設計図書などの情報に加えて現地調査(現地における事前の調査)を行うことで、調査対象となる外壁面の向き及び形状、仕上げ材の色や光沢の有無、近隣環境の条件、補修・改修の履歴、その他の付帯条件など、赤外線調査による調査可否の判断根拠となる事項を明らかにする。事前調査のフローを図3.3-1 に示す。
特に、以下に示す具体の項目については、全体の「事前調査」では十分な状況把握が困難な場合が多く、原則として現地調査による確認が必要である。
 
①日射の状況
調査対象の外壁面に当たる日射や、周辺建物や街路樹等による日影の状態、さらに
反射の影響等を調査する。
②調査可能な時間帯の確認
日射が当たり始める時間や日影になる時間を確認し、撮影計画を検討する。
③建築物の構造・形状および外壁の仕上げ材の確認
軒裏、出隅・入隅、庇等の調査が困難と思われる部位、および仕上げ材が反射率の高いタイル等であるかの確認をする。
④赤外線装置の設置位置の確認
上記①及び②の調査結果と併せて、どの位置に設置して撮影するのかを検討する。
また、事前調査では、打診との併用による確認を実施する箇所を確認しておく。
事前調査の結果については、赤外線調査実施者は、「事前調査チェックリスト(例)」(表3.3-1)を作成し、赤外線調査の適否及び赤外線調査箇所を検討し調査計画に反映させる。
事前調査において、赤外線調査の適用範囲外と判断した箇所等がある場合は、赤外線調査実施者からそれらの結果を外壁調査実施者へ報告し、外壁調査実施者はそれらを確認する。
 

表 3.3-1 事前調査チェックリスト (例)
建物名:
事前調査チェックリスト
対象面: 南外壁

確認事項

障害レベル

内容 コメント

壁面日射の状況

 

撮影離隔距離の確保

西面は、市役所渡り廊下屋上よりの撮影を含む

 

撮影障害/樹木・看板・電柱等

 

南外壁の西側一部樹木で影になる部分は対象外

駐車区画・車両

 

南外壁面に市営駐車場あり、一列移動願い

建物 形状

斜壁

-

 

軒の出

-

 

×

南側機材搬入口に一部庇あり庇内は対象外

出窓

-

 

その他

南西角に煙突あり、撮影時の日射の影響および使用状況の確認要検討

タイル

深目地

-

 

ブリック

-

 

施釉

ブラウン系45二丁掛、ボーダー部45角

金属光沢

-

 

出隅・入隅

撮影時前後の使用状況等、煙突部要検討

雨樋・設備配管・室外設備機器

-

 

笠木

×

アルミ笠木により対象外

外装 仕上げ 下地

コンクリート直張り

タイル込仕上げ厚20㎜の表記、図面より

モルタル

-

 

PC板(先付)

-

 

ALC

-

 

押出成形セメント板

-

 


※障害レベル:○=問題無し △=検討の必要あり ×=調査対象外 -=対象なし
 
3.4 の解説】
定期報告制度における外壁調査において赤外線調査を実施する場合、赤外線調査実施者は【 3.3 事前調査】を踏まえて調査計画を立案し、調査計画書を作成する。外壁調査は、実際に使用している建築物に対して実施される。そのため、建築物の使用制限や立入時間等の確認を調査計画書に基づいて行う場合もある。よって調査計画書は、必要に応じて発注者の承認を得る。
なお、建築物の構造・形状によっては日影の影響で日射の蓄熱時間に違いが出る箇所もあるため、時間帯を変えて撮影することが必要な場合もある。日射や周辺建築物等からの反射の影響を受けていることが予想される場合も、撮影位置や角度を変えて撮影することも検討しておく。
調査計画書には以下の事項を含める。
 
①建築物概要(建物名、所在地、構造・階数、竣工年、仕上げ材の概要、補修歴)
特に仕上げ材や下地材、外壁の補修履歴は撮影時の表面温度に影響を及ぼすため、事前の確認をすることが必要である。
②調査実施体制(調査会社名、赤外線調査実施者等、資格等)
③調査実施日(予備日を含む)
調査実施日は、【 3.3 事前調査】により、後述する天気予報から赤外線調査に適した日照条件を選定し、設定する。また、天候不順により赤外線調査の適用条件から外れる場合を想定して調査実施の予備日も設定する。
④赤外線装置の設置箇所(配置図に記載)及び使用する赤外線装置の型式
使用する赤外線装置によって (3.2 赤外線調査の適用条件の把握】参照 )撮影する時の離隔距離や角度が決まる事から、適切な設置場所を検討し、配置図等へ記載することが必要である。また、撮影に必要な離隔距離や環境条件から適切なレンズの選定も必要となる。
⑤調査対象の外壁面のうち赤外線調査を実施する箇所及びその他の方法で調査を実施する箇所
赤外線調査は調査面に対する日射を利用して浮きの分析を行う事から、日射が当たらない箇所や仕上げ材の種類 (3.3 事前調査】参照 )によって、赤外線調査不適箇所が発生する。その場合は、調査計画時点でその他の方法で調査を実施する箇所として記載する。
⑥打診との併用による確認を実施する予定の箇所
3.3 事前調査】により手の届く範囲で浮きの有無を確認し、調査実施日に赤外線装置を用いて浮きの検出確認を行う (3.2.2 打診との併用の必要性】参照 )箇所を記載する。
⑦調査時の適用条件の確認方法
3.2 赤外線調査の適用条件の把握】、【 3.3 事前調査】により、「赤外線調査による外壁調査時の適用条件に関するチェックリスト」(表 3.7-1)を使って確認を行う。
⑧その他必要な事項
調査対象壁面を全て撮影するための割り付け方針を記載する。
調査計画にあたっては、赤外線装置の設置箇所に伴う敷地内の動線(歩道や車道および建物出入口)、坂や段差等がなく安定して設置できる場所であるか等に配慮し、適切な安全対策を講じる事とする。
 
調査実施体制に関しては、赤外線調査実施者を明記し、実施体制についても計画書に記載する。
また、赤外線調査を計画していても、【3.2 赤外線調査の適用条件の把握】に示す条件によっては調査できない箇所が出てくる可能性がある。それらが事前に分かった場合は、調査計画書にその箇所を明記し、赤外線調査実施者はそれを外壁調査実施者へ報告し、確認を求める。外壁調査実施者は、その他の調査方法を検討し、定期調査の対象となる全ての壁面が適切に調査されるよう対応する。
なお、外壁調査の実施の可否には、天候が大きく影響することはいうまでもないが、特に赤外線調査の場合は、降雨がない天候でも、雲が多く、日射が当たらない場合には浮き等の判断材料となる熱画像を撮影することが非常に困難となる。そのため、天気予報等により天候の情報を収集して調査実施日を決定するとともに予備日も十分に確保し、余裕を持った調査計画を立案することが重要である。
 
調査計画書の作成については上記のとおりであるが、調査実施に向けて事前の確認が必要な「赤外線装置の諸元」、および調査当日に対応や判断が必要となる「気象条件及び天候条件の判定」について以下に説明する。
(1)赤外線装置の諸元
現在、様々な赤外線装置が市販されているが、中には外壁の赤外線調査に必要な性能を満たさない赤外線装置もある。2017 年(平成29 年)に建築物の診断・調査会社を対象として実施された外壁調査に用いる赤外線装置に関するアンケート調査結果4 )によると、画素数が320x240 画素以上、温度分解能は0.1℃よりも小さいものが広く使用されている状況が確認できた。この結果を参考にし、本ガイドラインによる赤外線調査で使用する赤外線装置の仕様を検討した。赤外線装置の仕様を表3.4-1 に示す。画素数と温度分解能については前出のアンケート結果で得られた数値を最低基準とした。瞬時視野については同表に示していないが、【3.2.1 適用条件】の説明のとおり、対象壁面100mm あたり4画素程度で計測できることを目安に離隔距離を決定することとしているので、建築物の撮影環境を踏まえた上で、この条件を満足する赤外線装置を選定する。
また赤外線装置の中には、撮影された熱画像に温度情報が付いていない形式で保存されるものもある。タイル等の浮きの分析は画像解析用専用ソフト(赤外線装置のメーカーから提供されている。)により温度レベル・温度スケールを適切に調整して行う。そのため、本ガイドラインに基づいて行う調査には、データとして温度情報が保存できる赤外線装置を用いることが必須である。
なお、外壁調査で使用する赤外線装置によっては、調査時の環境条件や時間の経過に伴い、熱画像にシェーディング現象と呼ばれる円形状の温度ムラが生じる場合がある。これは、外壁調査においては浮きの検知性能を低下させる要因である。通常、地上から撮影する赤外線調査ではシェーディング現象が発生することは稀であるが、ドローンとパッケージ化された赤外線装置およびドローンに搭載可能な小型の赤外線装置を使用した場合には、この現象が発生することがある。
ドローンとパッケージ化された赤外線装置およびドローンに搭載可能な小型の赤外線装置を使用した場合には、この現象が発生することを前提に、撮影する熱画像の画角範囲を重複(ラップ)させ、熱画像の中心部分で分析・評価できるように、調査計画を立案していくことが求められる。
 

 
2)気象条件及び天候条件の判定
赤外線調査において天候が大きく影響することは前述のとおりである。具体的な気象条件及び天候条件の判定について以下に示す。
赤外線調査が適用できる季節や時間帯については、調査対象の建築物が立地している場所や外壁の向きによって異なる。季節毎の測定可能な時間帯については例示しないが、以下に示す赤外線調査が適用可能と判断される気象条件を守って調査計画を立案し、実施する。
気象条件の判断基準の例を表 3.4-2 に示す。
 

 
注:「晴れ」は現地上空の雲量が8割以下の場合を指す。「晴れ」の場合でも薄曇りで人影が薄い状態の天候は、撮影が困難である。「時々」は2時間のうち概ね1時間未満の現象を示し、「一時」は 30 分未満の現象を示す。(例:晴れ時々曇り 2 時間のうち発現期間の合計時間が晴れ1時間半、曇り 30 分)
 
また、上表の判定に加えて撮影は最低気温5℃以上、日中の気温較差が5℃以上見込まれる場合かつ撮影時の平均風速が5m/s 未満の場合に実施できる。これらの条件に当てはまらない場合は、撮影を延期する。
気温較差5℃、風速5m/s については目安を示すものであり、使用する装置の性能や環境条件によっては撮影できる可能性もあるが、技術的な知見や蓄積がない場合は誤診の可能性が大きくなるため、実施しない。
外壁面が降雨により濡れていると、吸収した水の気化熱の影響により浮きを適切に判定できない場合がある。熱画像等の撮影にあたっては、事前に壁面が濡れていないかを目視や手で触ることにより表面が乾いた状態であることを確認する。
 
調査対象となる外壁面にある浮きの状態(外壁表面からの浮きの位置(深さ)や大きさ、浮き代)は様々であるため、赤外線調査によりそれを検出するためには、天気予報や当日の天気の状況だけなく、下記項目を考慮する事が必要である。
① 天候(日射が連続してある事)
② 壁面に日射が連続して当たってから、一定時間経過後の壁面温度上昇と浮き部の確認( 同一壁面でも近隣建物の影響により日射の有無や日影の影響を受ける時間が異なる場合があるため、【3 . 2 . 2 打診との併用の必要性】に準じて浮きの検出を確認する)
③ 浮き代の小さいものやタイル表面から深い位置にある浮きを見落とさないために撮影時間を変えて複数回撮影すること
④ 太陽の高度と方位により、同一壁面内で最初に日射が当たり始める部位、及び 面、屋根、壁などからの反射熱 の影響が異なること
【3.5 の解説】
赤外線調査の実施のフローを図3.5-1 に示す。
【3.2 赤外線調査の適用条件の把握】及び【3.4 調査計画書の作成】に従い、打診との併用による確認をした後、仮決定した撮影位置にて調査を実施する。撮影位置で熱画像に反射の影響が現れた場合、撮影位置を変更することによって低減できることがある。その例を図3.5-2、図3.5-3 に示す。
撮影は、時刻を変え、撮影を繰り返すことにより、仕上層の厚さの違いに対応することができる。また、撮影位置を変えることにより温度変化が反射によるものではないことを確認し記録することが望ましい。信頼性のある調査結果を得るため、反射の影響や日射による蓄熱の影響、汚れや混色タイルの色、撮影箇所などを熱画像の分析時に検討できるよう、調査時に熱画像と同じ画角で可視画像や記録等を残しておく。
なお、焦点があっていない熱画像では、浮きの分析ができない場合がある(図3.5-4)。基本的なことではあるが、撮影の際には分析が適切に実施できるよう留意する。
撮影後に浮きの分析を行うため、熱画像は全て保存する。現場で外壁全体を撮影し、(熱画像の分析をせずに)その場の判断で浮きがあると診断した箇所の熱画像だけを保存するといったことはしない。

 
【3.6 の解説】
【3.5 調査の実施(打診との併用による確認を含む)】後の熱画像の分析は、現地で調査を行った赤外線調査実施者が行う。赤外線調査実施者は、(事前調査及び)本調査で撮影した熱画像、目視結果および打診との併用による確認結果をもとに熱画像の分析を行い、浮き部を検出する。組織体制を構成して実施された調査では、組織体制を構成した複数の人員により分析結果について確認することが望ましい。
画像処理は、浮き部の分析を通じて、定期報告制度における「要是正」の判定に直接的な影響を及ぼす最も重要な工程のひとつであることは言うまでもないが、その作業には撮影と同等以上の時間が必要となることから、これらを考慮した調査計画の立案と、十分な体制に基づく実施が重要である。
 
(1)熱画像の分析方法
実建築物で撮影された熱画像は、以下手順により画像解析用専用ソフト(使用する赤外線装置のメーカーが提供しているものなど)」を使用して分析を行う。
 
① 調査対象面に対して撮影した熱画像がすべて記録されていることを確認し、割付を行う。

② 現地撮影の際に浮きが確認された熱画像を参考に基準の温度設定を行う。

③ 熱画像上、顕著な高温部は可視画像と比較し、外壁の汚れや反射の影響を判断する。

④ 温度レンジバーを調整し浮きと推測される部位の分析を行う。

⑤ 浮きと診断された調整熱画像を記録(jpg、ビットマップ等)する。

⑥ 診断した浮き箇所を立面図にプロットする。
 
(2)浮きの検出例
熱画像によって分析を行う際は、温度レベル・温度スケールを適切に調整することで、浮き範囲の検出を行う。
浮きの最終診断は、表示をモノトーン(白黒)にし、疑似温度変化がないか確認を行う。レインボーカラー表示では、高温部が強調されるため誤診を招く可能性がある。疑似温度変化の検出事例を図3.6-1 に示す。
 

 
(3)浮き代の違いによる検出されるタイミングの違い
実建築物の浮きは、タイル表面からの位置や大きさ、浮き代が様々であることは容易に想像される。そこで、浮き部の厚さの違いと検出の違いについて、実験室レベルでの実験を行ったところ、同じタイミングで日射が当たる環境において、浮き代が非常に小さい場合(「肌分かれ」状態の浮き代さ0.1mm 程度)は、それが1.0mm 程度ある場合よりも、検出される時間が遅く、また検出できなくなる時間も早まることが確認された。この結果より、浮き代の小さいものを見落とさない為には、1回限りの撮影ではなく、撮影時間を変えるなど、複数回撮影することが有効になる。調査計画にあたっては、この点も含め策定する必要がある。
 
(4)その他
太陽光、対面建築物や樹木、車両などの熱(赤外線)反射することにより、あたかも欠陥部(浮き部)のように高温に示される場合などがあるので注意が必要である(前出 図3.5-3 太陽光の反射の影響の事例)。
【3.7 の解説】
赤外線調査実施者が作成する調査結果の報告書には、本文に示した9項目を含めた記載をする。
報告書には単に結果図だけではなく、【3.2 赤外線調査の適用条件の把握】の下で適切に撮影されたことが後から確認できるようにしておく必要がある。【3.3 事前調査】で作成した「事前調査チェックリスト」を基に「赤外線調査による外壁調査時の適用条件に関するチェックリスト」(表3.7-1 参照)を作成し、さらに【3.5 調査の実施(打診との併用による確認を含む)】で得た調査日等における適用限界の確認等の項目を記入し報告書に添付する。
また、赤外線装置を設置した位置に関するものとして、赤外線装置による撮影距離や撮影角度等が確認できるよう、配置図に撮影位置(赤外線装置を設置した位置)を示した図面等を添付する。併せて使用した赤外線装置の型式を記載する。
赤外線調査は、手の届く範囲の外壁面を対象とした打診による調査結果を用いて適切に分析したことを確認する必要がある。したがって、外壁のどこの部分で打診による確認調査を実施したのかを確認できるよう、その箇所及び整合性確認結果(確認した熱画像と可視画像)を示す。
赤外線調査により撮影した熱画像には、壁面温度が確認できるよう分析時に設定した温度スケールを併せて表示する。
赤外線調査結果については、平面図に加え立面図に調査結果を図示するとともに、赤外線調査の適用範囲及び浮きの検出が困難な部位があった場合はその他の方法で調査を実施した箇所として明示する必要がある。また、画像の割付図などを作成して報告書に示すことも有効である(参考付録参照)。
外壁調査実施者が作成する外壁調査結果報告書は、本文に示した3項目を記載する。所有者等又は他の特定建築物調査員等が定期調査報告書を作成する際、この外壁調査結果報告書だけで調査結果が把握できるようにした。
外壁調査実施者は、告示に示された「2 建築物の外部 外壁 外装仕上げ材等(11)タイル、石貼り等(乾式工法によるものを除く。)、モルタル等の劣化及び損傷の状況」の判定基準「外壁タイル等に剥落等があること又は著しい白華、ひび割れ、浮き等があること」に基づき、赤外線調査実施者が作成する調査結果及びその他の方法で調査を実施する箇所があった場合は、その他の方法で調査を実施した結果を基に判定し、その結果を所有者等が適切に
確認できるように記載する。
外壁調査実施者は、図3.7-1 に示すとおり外壁調査結果報告書と赤外線調査実施者が作成した調査結果の報告書を組み合わせて建築物所有者等へ提出する。
外壁調査結果報告書は、次回の全面打診等又は外壁改修時まで保管することが望ましい。定期調査報告書を作成する特定建築物調査員等は、施行規則別記様式第三十六号の二様式(定期調査報告書)第一面3.調査者に外壁調査結果報告書にある調査者情報(資格、番号、氏名等)を転記する。国土交通省告示別記様式(特定建築物の調査結果表A4)には当該調査に関与した調査者欄に転記し、当該調査項目の担当調査者番号欄に調査者番号を記載する。
建築物所有者等は、作成された定期調査報告書等必要な書類を揃えて特定行政庁へ報告する。
 

 

4.ドローンによる赤外線調査
4.1 ドローンによる赤外線調査の概要
ドローンによる赤外線調査は、「ドローンによる赤外線調査の適用条件の把握及び飛行の可否と安全対策の検討」、「事前調査」、「調査計画書の作成」、「調査の実施(打診との併用による確認を含む)」、「熱画像による浮きの判定」、「報告書の作成」の構成とする。
 
4.2 ドローンによる赤外線調査の適用条件の把握及び飛行の可否と安全対策の検討
4.2.1 ドローンによる赤外線調査の適用条件外壁調査実施者及び赤外線調査実施者は、ドローンによる赤外線調査の適用条件について、調査時の気象条件(天候、環境温度、風速等)、建物条件(タイルの種類、建築物の形状等)、周辺環境(建築物からの放射熱の影響等)、撮影条件(赤外線装置、撮影角度、離隔距離等)等を把握し、事前調査によりドローンによる赤外線調査が可能な部分を確認した上で、調査計画書を作成する。
4.2.2 打診との併用の必要性外壁調査実施者及び赤外線調査実施者は、「4.5 調査の実施(打診との併用による確認を含む)」に先立ち、同一部位において打診とドローンによる赤外線調査を実施し、ドローンによる赤外線調査による浮きの検出状況の確認を行い、その結果検出が難しいと判断される部位については測定条件の変更、打診での調査の対応とする。
4.2.3 ドローンの飛行の可否と安全対策
外壁調査実施者及びドローン調査安全管理者は、ドローンによる赤外線調査の適用条件を踏まえ、対象建物条件(建物高さ、建物からの離隔距離等)、その周辺の環境条件(電波環境、障害物等)等を事前調査により確認し、ドローンの安全飛行が可能となる安全装置や安全管理対策を講じる。
 
4.3 事前調査
赤外線調査実施者及びドローン調査安全管理者は、「4.2 ドローンによる赤外線調査の適用条件の把握及び飛行の可否と安全対策の検討」を踏まえ、事前に予備調査に加えて現地調査を実施することを原則とする。
事前調査では以下の事項を実施する。
・ドローン飛行可否判断と飛行安全対策の確認
・定期調査業務に基づく予備調査
・日射の状況の確認
・調査可能な時間帯の確認
・建築物の構造・形状および外壁の仕上げ材の確認
・建築物の近隣状況の確認
・ドローンの飛行方法と赤外線装置の撮影方法の確認
・打診との併用による確認を実施する箇所の検討
・事前調査結果に基づく飛行書類作成及び申請
・事前調査の結果確認
 
4.4 調査計画書の作成
赤外線調査実施者及びドローン調査安全管理者は、調査概要と調査実施体制を整理し、事前に調査計画を立案し、調査計画書を作成する。赤外線調査実施者は赤外線装置の仕様・性能、調査箇所及び調査除外箇所、調査時の適用条件の確認方法、打診との併用による確認を実施する予定の場所を確認する。ドローン調査安全管理者は、ドローンの仕様・性能、調査方法、安全管理等を含めたドローン飛行計画書を作成する。
また、ドローンに搭載する赤外線装置は、外壁調査を行うために必要な性能を有するものとし、その特性を考慮した調査計画を作成する。
なお、建築物の形状や調査当日の環境条件等によっては、撮影の時間帯や赤外線装置の位置や角度を変えて撮影することが必要になることもあるため、適切に対応できるように調査計画を検討する。
調査計画書には以下の事項を含める。
・建築物概要
・調査実施体制
・調査実施日
・赤外線装置及びドローンの仕様・性能
・ドローンによる調査方法と安全管理
・調査対象の外壁面のうちドローンによる赤外線調査を実施する箇所及びその他の方法で調査を実施する箇所
・調査時の適用条件の確認方法
・打診との併用による確認を実施する予定の箇所
・その他必要な事項
ドローン調査安全管理者は、ドローン飛行計画書を以下の内容が含まれるように作成する。
(記載すべき項目)
・調査概要(建築物名、調査内容と調査範囲、飛行許可・承認情報、資格、加入保険等)
・調査方法(調査手段と撮影方法、調査環境条件、作業区域の配置図、飛行ルート図)
・仕様・性能等(調査責任者等氏名、飛行経歴、使用機体・赤外線装置・持込機材等)
・安全管理(役割分担・指揮系統、作業区域、安全装備類・安全システム、緊急時対応)
・添付資料(飛行許可・承認申請書等)
(記載・添付が望ましい項目)
・その他必要な事項
赤外線調査実施者及びドローン調査安全管理者は、調査計画書およびドローン飛行計画書の内容について外壁調査実施者へ報告し、確認を求める。調査対象範囲にドローンによる赤外線調査の適用が難しい箇所がある場合は、外壁調査実施者は代替方法を検討する。
 
4.5 調査の実施(打診との併用による確認を含む)
赤外線調査実施者及びドローン調査安全管理者は、調査の実施に先立ち、同一部位において打診とドローンによる赤外線調査を「3.5 調査の実施(打診との併用による確認を含む)」と同様の条件で実施し、ドローンによる赤外線調査による浮きの検出状況の確認を行った上で、「4.4 調査計画書の作成」に定めた調査計画に従い、調査を実施する。
操縦者は、赤外線調査実施者及びドローン調査安全管理者の指示のもと、ドローンによる赤外線調査ではドローンをホバリングさせ静止した状態で静止画による撮影とし、可視画像も同時に撮影する。ドローンの飛行においては安全確保を最優先し、ドローン調査安全管理者は現場の状況に応じて飛行の可否及び中止の判断を行う。
調査後に分析を行った上で浮きを判定するため、撮影した熱画像は全て保存する。
 
4.6 熱画像による浮きの判定
赤外線調査実施者は、調査対象の建築物の立地条件や外壁の仕上げ材の種類、画像を撮影した時の環境条件等についてあらかじめ情報を整理し、反射等の外乱の影響を取り除きながら分析を行い、浮きを判定する。
 
4.7 報告書の作成
赤外線調査実施者は、調査結果の報告書を以下の内容が含まれるように作成する。
(記載すべき項目)
①建築物概要(建築物名、所在地、構造・階数、竣工年、仕上げ材の概要、補修歴)
②調査実施体制(調査会社名、調査責任者名等、資格等)
③調査実施日、調査時の天候及び環境条件
④赤外線装置の仕様・性能
⑤調査対象の外壁面のうちドローンによる赤外線調査を実施した箇所及びその他の方法で調査を実施した箇所
⑥調査時の適用条件に関するチェックリスト
⑦打診との併用による確認を実施した範囲、結果の明示
⑧浮きと判定した箇所を明示した外壁調査結果図
⑨熱画像及び可視画像
(記載・添付が望ましい項目)
現地での作業フロー
ドローン調査安全管理者は、「4.4 調査計画書の作成」において記載したドローン飛行計画書の内容と齟齬がないかを確認し、報告書として添付する。
(記載すべき項目)
①ドローン飛行計画書(調査概要、調査方法、仕様・性能等、安全管理、添付資料)
(記載・添付が望ましい項目)
調査において収集・作成した資料
外壁調査実施者は、赤外線調査実施者とドローン調査安全管理者が作成した調査結果の報告書より以下の内容が含まれた外壁調査結果報告書を作成し、外壁調査結果報告書・赤外線調査実施者およびドローン調査安全管理者が作成した報告書の一式を建築物所有者等依頼者へ提出する。建築物所有者等は、当該建築物の定期調査の結果を特定行政庁へ報告する。
(記載すべき項目)
①外壁調査実施者の氏名、所持資格名(1級建築士あるいは2級建築士又は特定建築物調査員)及び資格者番号
②調査対象の部分
③告示に示す判定基準に基づく判定

4.1 の解説】
ドローンによる赤外線調査を実施する場合の一般的な調査の流れを図 4.1-1 に示す。これらは、赤外線調査実施者及びドローン調査安全管理者により遂行することを想定しており、発注者への最終的な報告書の提出により完了する。ここで発注者は、特定建築物調査員等が考えられるが、特定建築物調査員等自らが赤外線調査実施者あるいはドローン調査安全管理者となる場合も考えられる。
ドローンによる赤外線調査において、図 4.1-1 に示すように事前に【 4.2 ドローンによる赤外線調査の適用条件の把握及び飛行の可否と安全対策の検討】において、適用条件や打診との併用による診断精度を確認した上で外壁調査を実施する。
従前より、赤外線調査の実施においては、撮影可能な季節や時間帯、日中の気温較差、壁面の方位や赤外線装置との距離などの適用限界が示されており、本ガイドラインに基づいた調査を実施するにあたっても、これらの適用
限界があることを正しく認識し、適用条件を満たした上で調査を行うことが必須である。なお、本ガイドラインでは、診断精度の信頼性向上を図るため、特に次の2つの事項を確実に実施するよう規定した。一つは、打診との併用による診断精度の確認を行うことと、もう一つは熱画像による分析は赤外線装置法により外壁の熱画像を撮影した者が実施することを求めている。前者については【 3.2.2 の解説】及び
4.2.2 の解説】、後者については【 2.1 の解説】にその必要性が記載されているので参照されたい。
ドローンによる赤外線調査においては、【 4.2.3 ドローン飛行の可否と安全対策】を行った上で、【 4.4 調査計画書の作成】で記載されているドローン飛行計画書に基づいてドローンの仕様・性能、調査方法、安全管理等を考慮して実施する。
表4.1-1 ドローンによる赤外線調査における各実施者の検討事項と報告内容

実施者

調査全体のフロー

(1)事前調査

【目的:「(2-1)調査計画」の作成ための前調査】

(2)外壁調査

(2-1)調査計画

【目的:(2-2)調査実施のための調査計画書の作成】

(2-2)調査実施と調査結果

【目的:(2-1)調査計画書に従って実施し、その結果を作成】

赤外線 調査実 施者

①設計図書情報及び現地調査

①建築物概要

②調査実施体制

③調査実施日

 

④赤外線装置の仕様・性能

⑤調査対象の外壁面のうち赤外線調査を実施する箇所及びその他の方法で調査を実施する箇所

⑥調査時の適用条件の確認方法

 

⑦打診との併用による確認を実施する予定の箇所

⑧その他必要な事項

(記載すべき項目)

→❶建築物概要

→❷調査実施体制

→❸調査実施日、調査時の天候及び環境条件

→❹赤外線装置の仕様・性能

→❺調査対象の外壁面のうち赤外線調査を実施した箇所及びその他の方法で調査を実施した箇所

→❻調査時の適用条件に関するチェックリスト

→❼打診との併用による確認を実施した範囲、結果の明示

➑浮きと判定した箇所を明示した外壁調査結果図

❾熱画像及び可視画像

(記載・添付が望ましい項目)

❶現地での作業フロー

ドローン調査安全管理者

 

①ドローン飛行の可否と安全対策

②机上調査と現地調査

 ①ドローンによる調査方法と安全管理:ドローン飛行計画書

・調査概要(建築物名、調査内容と調査範囲、飛行許可・承認情報、資格、加入保険等)

・調査方法(調査手段と撮影方法、調査環境条件、作業区域の配置図、飛行ルート図)

・仕様・性能( 調査責任者等氏名、飛行経歴、使用機体・赤外線装置・持込機材等)

・安全管理(役割分担・指揮系統、作業区域、安全装備類・安全システム、緊急時対応)

・添付資料(飛行許可・承認申請書等)

②その他必要な事項

(記載すべき項目)

→❶ドローン飛行計画書

(記載・添付が望ましい項目)

❶調査において収集・作成した資料

外壁調査実施者

(赤外線調査実施者及びドローン調査安全管理者が実施した調査内容を適宜確認)

(赤外線調査実施者及びドローン調査安全管理者が実施した調査内容を適宜確認)

(記載すべき項目)

❶外壁調査実施者の氏名、所持資格名(1級建築士あるいは2級建築士又は特定建築物調査員) 及び資格者番号

❷調査対象の部分

❸告示に示す判定基準に基づく判定


 
ドローンによる赤外線調査は、基本的に外壁調査実施者、赤外線調査実施者、ドローン調査安全管理者の複数の実施体制となるため、各担当者間で確認事項及び報告書・資料等について確認・整理をしておく必要がある。表 4.1-1 にドローンによる赤外線調査の流れに沿って(1)事前調査と(2)外壁調査に大きく分類し、各実施者において必要となる検討事項と報告内容を示す。
 
【4.2.1 の解説】
ドローンによる赤外線調査の適用条件は、【3.2 の解説】で記載されている赤外線調査の「適用条件」の各項目に従った上で、下記に示す検討を進める。なお、適用条件のうち、調査時の気象条件については、【4.4 の解説】の(2-2)気象条件及び天候条件の判定を確認されたい。

 

【3.2 の解説】で示される赤外線調査の適用条件に対して、ドローンの優位性を検討した結果を表 4.2.1-1 に示す。表 4.2.1-1 中の①~⑦の適用限界に与える影響要因について、ドローンを利活用しても①、②、⑤~⑦については同様に影響を受け、基本的に改善効果は得られない。しかし、③測定角度と④壁面と赤外線装置との距離の影響については、ドローンで改善できる可能性があり、ドローンを利活用するかどうかの判断材料となる。
 

表 4.2.1-1 赤外線調査における適用限界に対するドローン利活用の改善効果

赤外線調査における適用限界に影響を与える要因

ドローンによる赤外線調査の改善効果

①季節、天候、時刻及び気温等の自然現象の影響を受ける

→✕: 左記と同様に影響を受ける

②熱画像の撮影に適さない天候、気温の日較差及び風速がある

→✕: 左記と同様に影響を受ける

③適切に熱画像を撮影できない測定角度がある(水平方向、鉛直方向ともに 30°以内が望ましい)

→〇: 壁面に正対して撮影できる

④熱画像の撮影が困難な壁面の方位、壁面と赤外線装置の距離がある

→ 〇:壁面と赤外線装置との距離の影響を解決できる可能性がある

⑤熱画像の撮影が困難な外壁の仕上げ材の材質・形状・色調及び下地材がある

→✕: 左記と同様に影響を受ける

⑥周辺建物や樹木、建築物に設置されている暖房機器等の影響を受ける

→✕: 左記と同様に影響を受ける

⑦建築物の形状(軒裏、出隅、入隅、ベランダ、庇等の突起物、笠木、雨樋等)によって適切に熱画像を撮影できないことがある

→✕: 左記と同様に影響を受ける

(1)気象条件及び天候条件の判定及び②風速( 表 4.2.1-1①と②について)赤外線装置に関しては【3.4 の解説】の内容に従う。
ドローンについては国土交通省無人航空機飛行マニュアル等に従い、ドローン調査安全管理者は飛行前に、気象、機体の状況及び飛行経路について安全に飛行できる状態であることを確認する。気象に関わる注意事項については、風速5m/s 以上の状態、雨の場合や雨になりそうな場合、十分な視程が確保できない雲や霧の中では飛行を中止する。

 
(2)熱画像の撮影角度( 表 4.2.1-1③について)
ドローンによる赤外線調査は、壁面に対して正対して撮影することが原則であるが、撮影位置で熱画像に反射の影響が現れた場合撮影位置(角度)を変更することによって低減することがある( 図 3.5-2、図 3.5-3)。その場合、撮影角度は仰角、水平角ともに 30°以内で実施することが望ましい。ただし、やむを得ない場合は 45°程度まで許容できる( 図 4.2.1-1)。
 

(3)赤外線装置と壁面との離隔距離(表4.2.1-1④について)
ドローンによる赤外線調査においても、搭載されている赤外線装置の機器仕様(センサ画素数、レンズ画角)、離隔距離が影響する。調査の主旨から、対象壁面100mm あたり4画素程度で計測できることを目安に離隔距離を決定する(図4.2.1-2 参照)。
(3-1)赤外線装置と壁面との最大離隔距離
一般的な調査対象建築物では、検出する対象の寸法条件によって、空間分解能から計算される測定最大離隔距離、角度を確認の上、測定する建築物の周囲環境から撮影の有無を検討する必要がある。
 
離隔距離(最大離隔距離計算)は、以下の式で計算できる。
 離隔距離(最大離隔距離計算) = 25mrad( 100/4)÷ 空間分解能
 (ここでは1 画素の視野角を25mrad に設定)
ドローンに搭載されている赤外線装置(例1:iFOV=0.680mrad、例2:iFOV=1.308mrad、)を例に示す。
計算例1) 空間分解能=0.680mrad(ここでは、1m 先の1 画素がとらえている視野角)
 25÷0.680mrad=36.7 36.7m が最大離隔距離となる。
計算例2) 空間分解能=1.308mrad
 25÷1.308mrad=19.1 19.1m が最大離隔距離となる。
 

 

なお、ドローンの飛行に係る最大離隔距離については、上記の赤外線装置の性能値から計算された最大離距離内の空間において、電波受信状況、GNSS 補足状況などのドローンの制御可能な位置、衝突するリスクとなる障害物(建物、電線、樹木など)、並びに万が一の墜落時に影響を与える地上の状況(人、歩道、道路、駐車場、第三者の建物・施設など)などを総合的に勘案し、安全かつ適切な撮影距離を設定することとする。
 
(3-2)赤外線装置と壁面との最低離隔距離
壁面からの最低離隔距離については、ドローンの性能(センサーによる衝突回避機能、GNSS 捕捉状況、電波受信状況等)やドローンを係留する必要性の有無、そして建築物周辺の環境(風、障害物等)に応じて、壁面に衝突するリスクを十分に考慮して検討する。一般的には最低離隔距離は3~5m 程度とされている。
 
(4)建築物状況(表4.2.1-1⑤、⑥、⑦について)
【3.2.1 の解説】に記載されている項目と説明内容を確認する。
●適用が困難な壁面の方位
●適用が困難なタイルの種類
●外壁仕上げ材の浮き・はく離の検出が困難な部分
●適用が困難な外壁下地材の種類
●その他
赤外線調査実施者及びドローン調査安全管理者は現地にて建築物の配置、周囲の状態などを確認し、撮影に支障の無い位置を把握し、撮影位置を決定する。
ドローンによる赤外線調査では【3.2 の解説】に加えて、ドローンの飛行時のプロペラの回転による風の影響及びドローンの映り込みに注意する。また、外壁調査時の庇、ベランダなどの凹凸面に対して、ドローンの飛行ルート上で衝突するリスクがないかの確認も行う。

【4.2.2 の解説】
本ガイドラインにおいては、調査対象壁面(方位)毎に外壁調査を始めるにあたって打診による判定結果をドローンによる赤外線調査の診断精度の確認に使用することとしている。
打診との併用による確認は【3.2.2 の解説】と同様の条件で実施する。【3.2.2 の解説】において、特に重要な項目について以下に示す。
打診との併用による確認とは、以下の2つの目的がある。
1) 赤外線装置により検出された浮き箇所と打診により確認された浮きの結果の比較
2) 赤外線装置による撮影開始時刻の決定
 
ドローンによる赤外線調査による測定結果と手の届く範囲の打診による判定結果は、以下の方法により比較を行い、計測(撮影)した結果の照合を必ず実施する。なお、打診で浮きと判断した箇所を赤外線装置で検出できない場合は、検出できるまでドローンによる赤外線調査を実施しない。
① 赤外線調査により健全と判断された部分について、各壁面1箇所約1m2 程度を打診により確認する。
② 赤外線調査により浮きと判断された部分について、各壁面1箇所約1m2 程度を打診により確認する。
③ 打診により確認された健全部と浮き部の表面温度を赤外線装置で確認し、表面温度に差があること、また判断された健全部と浮き部の範囲が概ね同程度であることを確認する。
赤外線装置により検出が難しいと判断される部位については、測定条件の変更や打診調査を検討する。
なお、ドローンによる赤外線調査における測定結果と手の届く範囲の打診による測定結果の比較においては、熱画像の精度に影響を与えるドローン飛行時のプロペラによる風の影響や壁面へのドローンの映り込み等も確認する。
 
【4.2.3 の解説】
ドローン調査安全管理者は、ドローンの飛行の可否を判断するための調査及びドローン飛行が可能となった場合における飛行リスクの安全対策の対処法を確認・決定する。その結果に対して、ドローンによる赤外線調査を実施するのか、あるいはそれ以外の調査方法で対応するかを決めることとする。図4.2.3-1 にドローンによる赤外線調査の可否と飛行リスクの安全対策措置の一般的な流れを示す。図4.2.3-1 の利用方法については【4.3 事前調査】の項目で説明する。
 

 
ドローン調査安全管理者は、ドローンを活用した建築物の調査における安全確保の対象となる「居住者や利用者」、「近隣住民」、「調査関係者」、「近隣施設」、「周辺の近隣インフラ」等に配慮し、表4.2.3-1 に示す要因、想定事故・災害とそれに対する被害を想定し、次の項目について安全対策を講じる。
ドローン利用の安全対策について、事前安全対策(関係者の役割分担・指揮系統、関係者の安全装備、作業区域の明示、安全装備類、安全システム(ソフト面)、緊急時の操作方法)、そして緊急時の対策(緊急時連絡体制、事後報告)を行い、【4.7 報告書の作成】におけるドローン飛行計画書に記録・明示する。
なお、ドローン調査安全管理者は建築物調査におけるドローンに関する業務の責任を負い、業務内容、安全対策の一切を把握し、飛行時は常時立ち会う。ドローン調査安全管理者は業務において危険と判断した際に、ドローンの飛行を中止させる。

現象

想定事故・災害

被害

原因

対策例

コンパスエラー

・建物への接触

・人に接触

・破損

・人の怪我

・地表面、地中等に磁気を帯びた鉄製品や送電線が磁場を発生させる 等

・コンパスエラーとならない別の場所でのキャリブレーション、離陸

ドローンの墜落・接触

・人に接触

・建物に接触

・人の怪我・死亡

・破損

・操縦ミス

・電波のマルチパス

・機体のメンテナンス不良

・バッテリー不足 等

・接触防止ガードを機体に取り付ける

・衝撃軽減装置などを取り付ける。

ドローンが操縦不能

・作業員に接触

・建物に接触

・関係者の怪我・死亡

・破損

・電波障害

・フライトコントローラー、機体バランスの調整不良

・係留装置を使用

・接触防止ガードを使用

・衝撃軽減装置などを取り付ける。

離着陸場、操縦者等 での接触

・操縦者が操作時に転倒

・作業員に接触

・骨折等・怪我

・操縦ミス

・天候不良時での無理なフライト

・足場の不整地 等

・ドローン関係者への安全対策

・足元注意の喚起

バッテリー破損

・発火による人体損傷

・火傷・火災

・高温になる場所での保管

・バッテリーの落下 等

・バッテリーの管理


 
【4.3 の解説】
本ガイドラインでは適切な「事前調査」が行われていることを前提としている。本項では、このような「事前調査」で得られた情報に加え、現地においてドローンによる赤外線調査の計画及び実施にあたって必要となる情報を、現地調査により得ることを原則とする。なお、赤外線調査に関わる事前調査においては、【3.3 の解説】を参考にする。
 
(1)ドローンによる赤外線調査(事前調査)の確認事項と実施者の役割分担表4.3-1 に示すように、外壁調査実施者、赤外線調査実施者、及びドローン調査安全管理者における確認事項と役割分担を明確にし、事前調査を行う。
 

確認事項

外壁調査

実施者

赤外線調

査実施者

ドローン調査

安全管理者

(1)① ドローン飛行可否判断と飛行安全対策の確認

 

(2)事前

調査

②定期調査業務に基づく予備調査

 

 

③日射の状況

 

 

④調査可能な時間帯の確認

 

 

⑤建築物の構造・形状および外壁の仕上げ材の確認

⑥建築物の近隣状況の確認

 

⑦ ドローンの飛行方法と赤外線装置の撮影方法の

確認

 

⑧打診との併用による確認を実施する箇所

 

⑨事前調査結果に基づく飛行書類作成及び申請

 

 

⑩事前調査の結果確認

 

 


 
(2)事前調査の確認事項
各実施者は「表4.3-1 ドローンによる赤外線調査(事前調査)の確認事項と実施者の役割分担例」を参考に、下記の事前調査を実施する。
①ドローン飛行可否判断と飛行安全対策の確認
本項目については、(3)ドローン飛行可否判断と飛行安全対策への対応にて詳述する。
②定期調査業務に基づく予備調査
定期報告制度の中で全体として行われる「予備調査」で得られる設計図書などの情報に加えて現地調査(現地における事前の調査)を行うことで、調査対象となる外壁面の向き及び形状、仕上げ材の色や光沢の有無、近隣環境の条件、補修・改修の履歴、その他の付帯条件など、赤外線装置法による調査可否の判断根拠となる事項を明らかにする。
③日射の状況
調査対象の外壁面に当たる日射や、周辺建物や街路樹等による日影の状態、さらに反射の影響等を調査する。
④調査可能な時間帯の確認
日射が当たり始める時間や日影になる時間を確認し、撮影計画を検討する。
⑤建築物の構造・形状および外壁の仕上げ材の確認
建物の軒裏、出隅・入隅、庇等の調査が困難と思われる部位、および仕上げ材が反射率の高いタイル等であるかの確認をする。
⑥建築物の近隣状況の確認
調査対象建築物の飛行の妨げとなる障害物(樹木、電信柱、配電線、付属看板等)の状況及び近隣建築物・鉄道等重要インフラの有無の状況を確認する。次に調査対象建築物周辺半径100m 以内に携帯電話基地局等の強い電波が発せられる施設がないか確認する。また、無線LAN(WiFi)設備が近くにないかも確認する。これらの電波はドローンの操作に必要な電波帯に近く、影響を与える周波数であるため墜落や操作不能などを生じさせる状況が考えられる。
そのため、一般に簡易的な調査機器を使用し電波環境調査をするが、その調査の信頼性は、電波環境調査に使用する機器の性能に依存するため、重要度やリスク・危険回避等その業務の要求に応じて十分な経験を積んだ電波環境調査を専門とする業者に委託する。
⑦ドローンの飛行方法と赤外線装置の撮影方法の確認
ドローンをどのルートで安全に飛行させ静止(ホバリング)させるのか、また分析に必要な熱画像を考慮した上でどのように可視画像と熱画像を撮影するかの方法を検討する。
撮影場所から飛行位置が想定され、そこに適用環境条件が加わり、飛行方法が決まる。ドローンの飛行位置の決定に影響を及ぼす条件の例を表4.3-2 に示す。


 
⑧打診との併用による確認を実施する箇所
打診と赤外線調査を併用して確認する箇所を決定する。
⑨事前調査結果に基づく飛行書類作成及び申請
事前調査の結果から、必要に応じて国土交通省航空局等への申請書等を作成し申請する。
また、交通の状況に応じて、警察等関係機関と協議し、誘導員の配置等の対策を検討する。
なお、法令改正等により飛行許可・承認の条件が変更されることを前提として、最新の情報を把握しておく。
⑩事前調査の結果確認
赤外線調査実施者及びドローン調査安全管理者が実施した事前調査の結果はチェックリストにまとめ、ドローンによる赤外線調査の実施の可否を判断し、発注者に報告する。
 
(3)ドローン飛行可否判断と飛行安全対策への対応
ドローンに関わる事前調査について、ドローン調査安全管理者は対象となる外壁調査においてドローンが安全に飛行できるかの判断を行う。例えば、対象建築物に対して赤外線装置による外壁調査が可能であると判断した場合であっても、ドローンの飛行が不可能と判断した場合は、ドローンによる赤外線調査は実施不可とする。これより、図4.2.3-1 に示すように、ドローン調査安全管理者は対象建築物に対してドローンの飛行可否の判断を行った上で、ドローン飛行が可能となった場合は、外壁調査実施者及び赤外線調査実施者と協議し、調査方法の決定を行う。
ドローンの飛行可否の判断と飛行安全対策に関わる判断方法については、図4.2.3-1 に示した①調査範囲内で明確な電磁波(電波等)の影響があるかどうかの確認、そして②ドローンの衝突やフライアウェー(ドローンが飛行機能を有したまま操縦不能状態となり、思わぬ方向へ飛行してしまう現象のこと)等のリスクへの対応の2段階に分けて行う。
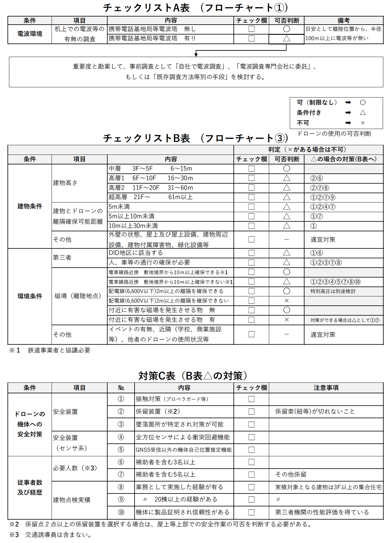
また、その詳細な判断方法の例として付属資料(参考)(チェックリストA 表、B 表及び対策C 表)を参考に示しておく。チェックリストA で電波環境(図4.2.3-1 における①に該当)、チェックリストB(図4.2.3-1 における③に該当)で建物条件、環境条件を考慮して飛行の可否を判断する。次にドローン飛行が条件により可能と判断された場合においては、対策C によってその条件を満たすためのドローンの飛行における安全対策や実施体制(体制や経歴等)を検討する。これは、ドローン本体の安全装置やドローンに付随する係留等の安全装置の具備、及び調査時の人員や実績などが含まれる。
 
(3-1)図4.2.3-1①及び②電磁波(電波等)の影響の確認と飛行可否判断
図4.2.3-1 に基づいて赤外線調査の撮影条件(離隔距離、仰角・水平角等)での調査範囲を前提条件とし、事前調査により対象とする建築物周辺の電磁波(近隣に有害なキュービクルや配電線等)の影響がないかどうかの目視確認、あるいは現地においてドローンの飛行範囲内で影響を及ぼす画像伝送・制御に関わる電波環境調査を実施する。例えば、図4.3-1 に示すようにGNSS 等、ドローン搭載カメラ制御用送信機、ドローン操縦用送信機、ドローンの
機体飛行情報(テレメータデータ)監視、映像・周辺監視等に関わる電波の影響について確認を行う。これら電磁波(電波等)の影響が顕著と考える場合は、専門的かつ詳細な電波環境調査を実施し、飛行可否の判断を行うこととする。
 

 
電波環境調査は、ドローンの自己位置推定や操縦に必要な電波以外の電波により影響を受けてコントロールが不能に陥るのを防ぐために実施するとともにGNSS の受信状況も確認する。電波環境調査は、ドローン調査安全管理者が実施する場合と、外部委託する場合がある。
外部委託の判断は、ドローン調査安全管理者が決定する。電波環境調査の例を表4.3-3 に示す。

 
(3-2)ドローンの衝突やフライアウェーのリスクへの対応図4.2.3-1 中における「①調査範囲内で明確な電磁波(電波等)の影響があるか」の確認に対して、電磁波(電波等)の影響が小さいと判断される場合は、ドローンの衝突やフライアウェー等に影響を与える建築物条件(建築物高さ、壁面からの離隔距離等)、環境条件(人口集中地区(DID 地区)、飛行する周辺での第三者通行、障害物(樹木、電線、車両等))、そしてドローンの性能等の観点から総合的に判断し、ドローン本体側の安全対策、もしくはドローンに係留装置を装着する等の物理的安全対策を講じるかを決定する。なお、これら物理的安全対策を講じたとしても、ドローンの飛行が不可能と判断された場合は、ドローンによる赤外線調査以外の調査方法を検討する。以下は、ドローンによる赤外線調査を前提とした場合の係留装置の利用方法について説明する。
係留装置には図4.3-2 に示すように1点係留装置、2点係留装置、多点係留装置の3つに大きく分類される。係留装置の利用とその装置の選択の参考となる判断例について表4.3-4に示す。なお、ドローン飛行時の安全対策(関係者以外の立ち入りを制限する旨の看板やコーン等による表示、保安員による監視及び警告等)も行う。
 

 
表4.3-4 係留装置における確認事項

種別

条件

確認

 

建物の条件

高さ

ドローンの飛行高さ及び係留装置の紐の長さを検討

屋上の有無(2点以上の係留)

屋上があり、かつ屋上へ荷上げする設備(階段、エレベータ)がある

 

屋上の状態 (2点以上の係留)

作業スペース

係留装置の組立作業のスペースを確保できる

パラペットの有無と形状

パラペットに係留装置機具の設置が可能である

係留装置機具の設置が不可能の場合、屋上床に設置することが可能である

地上の状態

作業スペース

係留装置に使用する紐を使用する場所が確保できる

植木、電線等の有無

紐を下ろす位置に植木や電線等支障物が無い

電波環境

ドローンの飛行に問題が無いこと

人口密集地域やリスクを勘案し実施

【4.4 の解説】
ドローンによる赤外線調査に関係する者は、調査計画を策定するにあたり、【3.4 の解説】を確認しておく。特に、建築物の構造・形状によっては日影の影響で日射の蓄熱時間に違いが出る箇所もあるため、時間帯を変えて撮影することが必要な場合もある。また、日射や周辺建築物等からの反射の影響を受けていることが予想される場合も、撮影位置や角度を変えて撮影することが必要になる場合もある。このような点も踏まえ、赤外線調査実施者とドローン調査安全管理者は、ドローンの飛行経路や飛行回数等の検討を行う。
ドローンによる赤外線調査は、赤外線調査実施者及びドローン調査安全管理者が【4.3 事前調査】を踏まえて調査計画を立案し、調査計画書を作成する。
また、ドローン調査安全管理者は、赤外線調査実施者と協議をしながらドローン飛行計画書を作成する。なお、ドローン飛行計画書については、(一社)日本建築ドローン協会「建築物へのドローン活用のための安全マニュアル」2) などが参考になる。
外壁調査は、実際に使用している建築物に対して実施される。そのため、建築物の使用制限や立入時間等の確認を調査計画書等に基づいて行う場合もある。よって調査計画書等は、必要に応じて発注者の承認を得る。
なお、赤外線調査実施者及びドローン調査安全管理者は、調査計画書およびドローン飛行計画書の内容について外壁調査実施者へ報告し、確認を求める必要がある。調査対象範囲にドローンによる赤外線調査の適用が難しい箇所がある場合は、外壁調査実施者は代替方法となるその他の調査方法を検討し、定期調査報告の対象となる全ての壁面が適切に調査されるよう対応する。
 
(1) ドローンによる赤外線調査に関わる全体調査計画
ドローンによる赤外線調査に関わる調査計画書には以下の事項を含める。
①建築物概要(建物名、所在地、構造・階数、竣工年、仕上げ材の概要、補修歴)
特に仕上げ材や下地材、外壁の補修履歴は撮影時の表面温度に影響を及ぼすため、事前の確認をすることが必要である。
②調査実施体制( 調査会社名、調査責任者等、資格等)
調査実施体制に関しては、調査責任者を明記し、実施体制についても計画書に記載する。
③調査実施日(予備日を含む)
調査実施日は、【4.3 事前調査】により、天気予報から赤外線調査に適した日照条件を選定し、設定する。また、天候不順により赤外線調査の適用条件から外れる場合を想定して調査実施の予備日も設定する。
④赤外線装置及びドローンの仕様・性能
赤外線装置及びドローンの仕様・性能を含める。
⑤ドローンによる調査方法と安全管理
ドローン飛行計画書(表 4.4-1)に基づき計画を立てる。なお、ドローンによる熱画像の撮影は【4.2 ドローンによる赤外線調査の適用条件の把握及び飛行の可否と安全対策の検討】を参照し、ドローンを静止(ホバリング)させた状態で行う。赤外線調査実施者は対象建築物の熱画像を撮影する時の離隔距離や角度を検討し、調査対象となる壁面全体を網羅した調査ができるように撮影計画を立案する。その後、ドローン調査安全管理者に撮影計画を伝え、双方で調整しながら撮影計画を決定する。
⑥調査対象の外壁面のうち赤外線調査を実施する箇所及びその他の方法で調査を実施する箇所
・赤外線調査は調査面に対する日射を利用して浮きの分析を行う事から、日射が当たらない箇所や仕上げ材の種類(【4.3 事前調査】参照)によって、赤外線調査不適箇所が発生する。その場合は、調査計画時点でその他の方法で調査を実施する箇所として記載す
る。
⑦調査時の適用条件の確認方法
【4.2 ドローンによる赤外線調査の適用条件の把握及び飛行の可否と安全対策の検討】、【4.3 事前調査】により、「赤外線調査による外壁調査時の適用条件に関するチェックリスト」(表 3.7-1)を使って確認を行う。
⑧打診との併用による確認を実施する予定の箇所
【4.3 事前調査】により手の届く範囲で浮きの有無を確認し、調査実施日に赤外線調査で使用するドローンに搭載された赤外線装置を用いて浮きが検出できることを確認し、(【4.2.2 打診との併用の必要性】参照)その場所を記載する。
⑨その他必要な事項
調査対象壁面を全て撮影するための割り付け方針を記載する。
調査計画にあたっては、ドローンの飛行経路に伴う敷地内の動線(歩道や車道および建物出入口)、や建築物(建築設備)の給排気口等に配慮し、適切な安全対策を講じる。
建築物の用途により住民等建築物利用者へのプライバシー権、騒音等に配慮し、赤外線調査の事前周知などを講じる。
また、赤外線調査を計画していても、【3.2 赤外線調査の適用条件の把握】及び【4.2.1 ドローンによる赤外線調査の適用条件】に示す条件によっては調査できない部位が出てくる可能性がある。それらが事前に分かった場合は、調査計画書にその箇所を明記し、赤外線調査実施者はそれを外壁調査実施者へ報告する。外壁調査実施者は、その他の調査方法を検討し、定期調査の対象となる全ての壁面が適切に調査されるよう対応する。
 
(2) 赤外線調査に関わる調査計画の作成について
赤外線調査に関わる調査計画については、【3.4 の解説】に従うこととする。【3.4 の解説】において、特に重要な事項について以下に示す。
(2-1) 赤外線装置の諸元
ドローンとパッケージ化された赤外線装置およびドローンに搭載可能な小型の赤外線装置は、使用する環境条件や時間の経過に伴い、熱画像にシェーディング現象と呼ばれる円形状の温度ムラが生じる可能性がある。外壁調査においては浮きの検知性能を低下させる要因である。広く市販されているドローンに搭載されたこれらの赤外線装置は、自己発熱している物体を検知することを想定した性能を有しているものであるため、建築物の外壁に用いられ仕上タイルなどの浮きを検出するような微少な温度差の検出には十分な性能ではない。すなわち、打診と同等の精度を持ち合わせていないといえる。この点についてはこれまでの研究
4)においても確認されており、ドローンとパッケージ化された赤外線装置およびドローンに搭
載可能な小型の赤外線装置を外壁調査へ適用した場合の浮きの検出率は、地上からハンディタイプの赤外線装置を用いて調査した場合に比べて低い結果となった。
この課題を解決するために赤外線装置の研究開発 5) が実施され、「小型赤外線装置」について温度変動を受けにくい防風構造や画像処理による温度ムラのリアルタイム補正など、シェーディング現象に対する対策がされた装置などが提案された。また、赤外線装置の性能として、画像中心部と画像周辺の温度差が±1℃未満であるという一つの指標、「熱画像の面内
均一性 ±1℃」が示された。
「熱画像の面内均一性」は、温度が均一な黒体(物体)を二次元アレイセンサにより記録した際の二次元の温度データの均一さを示す指標であり、それが±1℃未満であれば、撮影された熱画像全体で評価できるという結果が前出の研究 5)より得られている。しかしながら、現状、赤外線装置の製造者が示す性能指標として「熱画像の面内均一性」は定義されていないため、赤外線装置のカタログ等から仕様の確認はできない状況である。
したがって、ドローンとパッケージ化された赤外線装置およびドローンに搭載可能な小型の赤外線装置を使用した場合には、この現象が発生することを前提に、撮影する熱画像の画角範囲を重複(ラップ)させ、熱画像の中心部分で評価できるように、調査計画を立案していく必要がある。
その他、ドローンによる赤外線調査において、表 3.4-1(再掲)に示す赤外線装置の諸元を満足するものを選定し、その特性を考慮した調査計画を作成する。

表3.4-1 赤外線装置の諸元

 

項目

諸元

1

最小検知温度差

0.1℃以下( 30℃黒体において)

2

表示画素数

320×240 画素程度以上

3

熱画像のデータ形式

温度情報が記録されており、温度分

析が可能な状態となっていること

 

(2-2) 気象条件及び天候条件の判定
赤外線調査が適用できる季節や時間帯については、調査対象の建築物が立地している場所や外壁の向きによって異なる。季節毎の測定可能な時間帯については例示しないが、以下に示す赤外線調査が適用可能と判断される気象条件を守って調査計画を立案し、実施する。
気象条件の判断基準の例を表3.4-2(再掲)に示す。
 

表3.4-2 気象条件による撮影可否の判定基準の例

試験開始時刻 2 時間前から撮影時刻まで

及び撮影中の天候

判定

晴れ

可能

晴れ時々曇り

可能

曇り時々晴れ

困難

曇り一時晴れ

困難

曇り

不可能

不可能

不可能

 

注:「晴れ」は現地上空の雲量が8割以下の場合を指す。「晴れ」の場合でも薄曇りで人影が薄い状態の天候は、撮影が困難である。「時々」は2時間のうち概ね1時間未満の現象を示し、「一時」は30 分未満の現象を示す。(例:晴れ時々曇り 2時間のうち発現期間の合計時間が晴れ1時間半、曇り30 分)
 
また、上表の判定に加えて撮影は最低気温5℃以上、日中の気温較差が5℃以上見込まれる場合かつ撮影時の平均風速が5m/s 未満の場合に実施できる。これらの条件に当てはまらない場合は、撮影を延期する。
気温較差5℃、風速5m/s については目安を示すものであり、使用する装置の性能や環境条件によっては撮影できる可能性もあるが、技術的な知見や蓄積がない場合は誤診の可能性が大きくなるため、実施しない。
外壁面が降雨により濡れていると、吸収した水の気化熱の影響により浮きを適切に分析できない場合がある。熱画像等の撮影にあたっては、事前に壁面が濡れていないかを目視や手で触ることにより表面が乾いた状態であることを確認する。
 
調査対象となる外壁面にある浮きの状態(外壁表面からの浮きの位置(深さ)や大きさ、浮き代)は様々であるため、赤外線調査によりそれらを検出するためには、天気予報や当日の天気の状況だけなく、下記項目を考慮する事が必要である。
① 天候(日射が連続してある事)
② 壁面に日射が連続して当たってから、一定時間経過後の壁面温度上昇と浮き部の確認( 同一壁面でも近隣建物の影響により日射の有無や日影の影響を受ける時間が異なる場合があるため、【3 . 2 . 2 打診との併用の必要性】に準じて浮きの検出を確認する)
③ 浮き代の小さいものやタイル表面から深い位置にある浮きを見落とさないため
に撮影時間を変えて複数回撮影すること
④ 太陽の高度と方位により、同一壁面内で最初に日射が当たり始める部位、及び面、屋根、壁などからの反射熱の影響が異なること
 
(3)ドローンに関わる調査計画の作成について
ドローン調査安全管理者がドローン飛行計画書を作成、もしくは確認し承認する。ドローン飛行計画書には、調査概要、調査方法、仕様・性能、安全管理、及び添付資料から構成されている。表4.4-1 に記載例を示す。なお、ドローン飛行計画書は、「建築物へのドローン活用のための安全マニュアル(第3版)」(一社)日本建築ドローン協会,2021.8)2)が参考になる。

表4.4-1 ドローン飛行計画書記載例(日本建築ドローン協会様式を参考)

大項目

項目

内容

調査概要

調査目的

調査の目的を記載

調査対象建築物

住所・建築物名・階高等を記載

調査内容と調査範囲

対象建築物と調査部位の情報、及びドローンを調査する上での調査水準を明記

国土交通省許可番号 ※1

ドローン飛行に対する安全許可の有無

ドローン調査安全管理者 ※2

ドローンを活用した建築物の調査に対する安全対策の確認

加入保険 ※3

加入している保険(賠償保険、機体保険等)と補償額を記載

その他:ドローンに関わる証明書※4

機体認証、操縦ライセンス等に係る情報を記載

調査方法

調査手段と撮影方法

可視カメラ、赤外線カメラの使用機材、撮影方法について記載

調査環境条件

ドローンが安全に飛行可能な条件を事前に決め、現場におけるドローンの飛行に影響を及ぼす要因を記載

作業区域の配置図

建築物全景及びドローンが飛行する建築物周りの情報が分かる写真、図面を記載もしくは添付

飛行ルート図

調査面毎に飛行ルートと距離を記載

仕様・性能等

ドローン調査安全管理者、操縦者等の氏名

ドローン調査安全管理者、操縦者、補助者等の氏名を記載

飛行経歴

操縦者のドローン飛行経歴を記載

使用機体の名称

使用する機体の名称を記載

使用するカメラ

ドローン調査で使用するカメラの記載

持込機材

現場に持込む機材について記載

安全管理

安全対策

役割体制・指揮系統、作業区域の明示、ドローン安全装備類・安全システム、緊急時の操作方法等

緊急時連絡体制

関係部署へ連絡できる体制を整える

添付資料

※1: 国土交通省「無人航空機の飛行に関する許可・承認申請書」「無人航空機の飛行に関する許可・承認書」のコピーを添付

※2:ドローン調査安全管理者のコピーを添付

※3:加入している保険証のコピーを添付

※4:国のドローン環境整備に応じて、ドローンの各証明書を記載および添付その他、機体及び付属品の仕様、点検票、会社経歴、打合せ議事録等


 
ドローン飛行計画書に含める事項を以下に示す。
① 調査概要
概要は、目的、建築物の名称、調査内容と調査範囲、国土交通省飛行許可番号、機体認証番号、加入保険等を記載する。
② 調査方法
調査方法は、実施する日時、調査手段と撮影方法、中止基準、電波・GNSS 環境、最高飛行高度、対象建物との離隔、飛行制限該当物、作業区域の配置図、飛行ルート図を記載する。
飛行制限該当物は、隣接する建築物、駐車場、樹木、道路/鉄道、隣棟間隔、高圧電線、電波障害などの飛行に影響を与えるものの他、歩行者の有無など、安全に係わることも記載する。作業区域の配置図は、ドローンの離着陸位置や障害物などを記載する(図4.4-1)。
なお電波環境調査及び係留の利用の有無については、【4.3 事前調査】の結果を明記する。


 
飛行ルート図は、ドローンの飛行する予定の経路を実線矢印で示す(図4.4-2)。
 

 
③ 仕様・性能等
ドローン調査安全管理者及び操縦者の氏名、飛行経験時間、飛行予定機体、カメラ(赤外線装置や可視カメラ)等の仕様・性能、その他持込機械及びその個数を記載する。操縦者の情報は、建築物を対象とした飛行経験時間も記載する。
④ 安全管理
役割分担・指揮系統、作業区域の明示方法、安全装備類・安全システム、緊急時の操作方法、緊急時の連絡先を記載する。役割分担・指揮系統図は、職務における遂行の責任を負う者を明確にする。
作業区域の明示方法は、カラーコーンなどの安全設備の配置を記載する(図4.4-3)。
 

 
⑤ 事故等リスクへの対処
事故等のリスクへの対処については、GNSS 電波受信不良時のフェールセーフ機能と、飛行前のチェックによるリスク軽減、及び保険加入等により総合的な観点から備える。
事故等への対処については、事故や不具合が生じた後、その原因を追究し再発の防止や手順の見直し、製品の改良をすることにある。
【4.5 の解説】
【4.4 調査計画書の作成】で作成した調査計画にある手順、役割に基づき、調査を実施する。
調査時に不測の事態が発生した場合は、赤外線調査実施者と協議する。
調査の実施のフローを図4.5-1 に示す。ドローンによる赤外線調査であっても、原則として、地上における赤外線調査と同じ調査手順とな
る。
【4.2 ドローンによる赤外線調査の適用条
件の把握及び飛行の可否と安全対策の検討】に従い、打診との併用による確認をした後、仮決定した撮影位置にて調査を実施する。
なお、撮影後に浮きの分析を行うため、熱画像は全て保存する。現場で外壁全体を撮影し、(分析をせずに)その場の判断で浮きがあると診断した箇所の熱画像だけを保存するということはしない。
(1)打診との併用による確認
【4.2.2 の解説】に基づき、ドローンによる赤外線調査による測定結果と手の届く範囲の打診による判定結果について、以下の方法により比較を行う。なお、打診で浮きと判断した箇所を赤外線装置で検出できない場合は、検出できるまでドローンによる赤外線調査を実施しない。
①ドローンによる赤外線調査により健全と判断された部分について、各壁面1箇所約1㎡程度を打診により確認する。
②ドローンによる赤外線調査により浮きと判断された部分について、各壁面1箇所約1㎡程度を打診により確認する。
③打診により確認された健全部と浮き部の表面温度を赤外線装置で確認し、表面温度に差があること、また判断された健全部と浮き部の範囲が概ね同程度であることを確認する。
(2)ドローンによる赤外線調査における撮影画像の取得方法
熱画像による外壁の浮きを適切に分析するために、ドローンによる赤外線調査における現地での外壁面の撮影方法を表4.5-1 に示す。
表4.5-1 ドローンによる赤外線調査における撮影画像の取得方法と判定方法

熱画像による外壁の浮きの分析に影響を及ぼす主な項目

対処方法

ドローンの飛行状況と赤外線装置の撮影方法

ドローンを静止( ホバリング)した状態で熱画像と可視画像を静止画により同時に撮影する。

外壁の浮きの検出精度を向上させる方法

撮影時間および撮影位置(角度)を変えて、外壁面の撮影を複数回実施する。

撮影データの判断ミスの低減方法

現地で熱画像の撮影を行った赤外線調査実施者が熱画像を取得した後の分析も行い、現地データと分析した

データ間での判断の齟齬がないようにする。


 
ドローンを静止(ホバリング)した状態で静止画により熱画像を撮影する理由は、動画で撮影された熱画像はドローンの飛行速度の影響を受け、分析に必要な焦点の合った熱画像の取得が困難になる可能性があるためである。
撮影位置で熱画像に反射の影響が現れた場合、撮影位置を変更することによって低減できることがある。その例を図4.5-2、図4.5-3 に示す。
撮影は、時刻を変え、撮影を繰り返すことにより、仕上層の厚さの違いに対応することができる。また、撮影位置を変えることにより温度変化が反射によるものではないことを確認し記録することが望ましい。信頼性のある調査結果を得るため、反射の影響や日射による蓄熱の影響などを熱画像の分析時に検討できるよう、調査時に記録等を残しておく。
なお、焦点があっていない熱画像では、浮きの分析ができない場合がある(図4.5-4)。基本的なことではあるが、撮影の際には分析が適切に実施できるよう留意する。
 


 
(3)ドローンによる外壁調査
ドローンによる外壁調査では、飛行時の気象環境や建築物の周りの環境等により現場調査環境が影響を受けるため、現場にて撮影・測定精度の検証を実施する。
飛行の安全確保について、次の項目を確認し管理を徹底する。
・関係者の役割分担・指揮系統
・関係者の安全装備
・飛行禁止区域の明確化
・作業区域の明示
・安全装備類(機体の墜落・接触防止装置)
・安全システム(ソフト面)
・緊急時の操作方法
・事後対策:緊急時連絡体制
ドローンの飛行は、図4.5-5 に示すフローで実行する。事前調査に基づき作成したドローン飛行計画書に従い実施するうえで必要な注意事項を以下に記載する。
 

 
(3-1)飛行環境の確認
・前日までに実施する確認事項
赤外線調査実施者は、ドローン調査安全管理者と協議し当日の天候及び準備のため、例えば実施の2日前までに天気予報により赤外線調査の実施可否を判断する。ドローン調査安全管理者は、国土交通省航空局等への申請書、ドローン飛行計画書の内容に齟齬が無いか確認する。
・当日に実施する確認事項
ドローン調査安全管理者は、当日の運用体制、条件等をドローン飛行計画書と照合する。当日の飛行環境(風速、気温)を確認し、風向の変化、突然の降雨や落雷、地震等について、備える。交通(車両、歩行者等)に配慮する。
赤外線調査実施者から当日の環境等における赤外線調査計画の追加・変更・中止の依頼があったときは、ドローン調査安全管理者が実施の可否の判断を行う。
(3-2)飛行前の確認
ドローン調査安全管理者は、飛行前に指揮系統下の者を集め、業務目的、内容、方法、作業区域の形状・範囲、安全注意事項等を周知し、危険予知活動を実施する。また、以下の確認方法に従って確認をしなければならない。
(3-3)確認方法
なお、ドローン調査安全管理者は、手順を確認するため、チェックリストを使用し、参考として表4.5-2 に示す。また、機体や操縦の確認も同様にチェックリスト作成し、参考として表4.5-3 に示す。操縦者は、作業区域の中でこのチェックリストに基づき確認し、試験飛行をして異常が無いか確認する。

表4.5-2 ドローンの飛行前のチェックリスト(ドローン調査安全管理者使用)例

 

番号

チェック項目

チェック欄

 

事前

1

役割分担は確認できたか

 

2

内容は周知したか

 

3

電波状況を確認したか

 

4

バッテリー数は適正か

 

5

データ媒体は確認したか

 

6

飛行計画書の内容の変更はあったか

 

7

緊急時連絡体制表に相違は無いか

 

8

打合わせ内容に相違は無いか

 

9

撮影する旨を作業員に通知しているか

 

10

立入禁止区域を作業員全員に周知しているか

 

11

飛行中止基準をスタッフ全員が理解しているか

 

 

準備

12

配置人員の位置は適正か

 

13

操縦者の体調は万全か

 

14

その他要員の体調に異常は無いか

 

15

風速は確認したか

 

16

カラーコーン等作業区域は適正に確保できたか

 

17

離着陸に余裕はあるか

 

18

作業看板の設置は適正か

 

19

持参したすべてのバッテリーのチェック(容量)は実施したか

 

20

持参したすべてのバッテリーのチェック(バランス) は実施したか

 

21

持参したすべてのバッテリーのチェック(形状)は実施したか

 

22

持参したすべてのバッテリーのチェック(温度)は実施したか

 

23

機体の組み立ては適正に実施されたか

 

24

送信機(プロポ)との連動性に問題はないか

 

25

カメラの固定は十分か

 

26

モニターの設置位置は適正か

 

27

試運転は実施したか

 

28

試運転時操縦者の技量に問題はなかったか

 

29

試運転時異音、異臭は発生しなかったか

 

30

試運転時機体のゆれ、振動は生じていないか

 

 

片付け

31

使用したバッテリー数は適正か

 

32

作業看板・カラーコーン等は撤去したか

 

33

撮り忘れは無いか

 

34

忘れ物は無いか

 

点検者

 

使用機体名

 

点検項目

点検内容

点検結果欄

機体確認

モーター

外観/異音の有無/回転の状態

 

プロペラ

外観/損傷/ 曲がり

 

ESC(モーター制御用アンプ)

音/異臭

 

フレーム・プロペラガード

外観/損傷/ ネジのゆるみ

 

電気系統

コネクタの状態/ケーブルの状態

 

ジンバル

損傷/変形/ ゆるみ/がたつき

 

 GNSS、センサー

ケーブル接続状況/キャリブレーションの実施/(コンパス)

 

バッテリー本数

 本

充電状況/形状/損傷/ケーブル断線/ コネクタ接触/装着のゆるみ

 

バッテリー管理

バッテリー管理番号

温度

使用(○・×)

 

 

 

送信機(プロポ)

外観/スティックの状態/ バッテリー残量/モード確認(衛星受信・非受信)

 

搭載機器

名称:

取り付けネジの締め付け

 

飛行条件・設定

衛星数

8以上

 

接触防止センサー

適切に設定したか

 

フェールセーフ/高度制限設定/ ジオフェンス等

設定範囲を確認

 

自律航行時の飛行ルート確認

ドローンの通過ポイントの設定の確認

 


 
・操縦方法の確認について
操縦者は、赤外線調査に応じて操縦方法を確認しておく必要がある。
・保安員、作業区域等第三者安全対策
保安員は、第三者が作業帯内及び付近に接近し、ドローンへの接触を防止するために注意喚起等をし、配置する者である。なお、ドローンは空中を飛ぶことから作業区域の上方に位置することがあるため、看板にはドローンでの作業であることを明示する。
 

写真4.5-1①(左) 道路(私有地)における離着陸ポイントに作業帯を設置した例
写真4.5-1②(右) 白線上をロープで囲い立入禁止区域として、作業帯を設置した例
 
(3-4)飛行中の確認
操縦者および補助者は、地上局ソフトにより衛星受信数、バッテリー残容量、受信映像の乱れや異常、突然の風速の変化、歩行者等の接近等に注意する。操縦者は、機体の揺れ、異常音等に注意する。着陸後もすぐに機体に接近しないようにする。プロペラが完全停止かつドローン調査安全管理者の停止確認の合図により機体に近づくことができる。
(3-5)飛行後の確認
操縦者は、飛行後にバッテリー残容量のチェック、プロペラの異常、配線等の切れが無いか確認する。操縦者は、バッテリーを外しバッテリーの形状、温度に異常が無いか確認する。
作業帯や看板等を撤去する。操縦者はチェックリスト(表4.5-2)に確認した結果を記載する。
事故が発生した場合、ドローン調査安全管理者は、ただちに2次災害の防止を図り被害状況の把握をする。そのうえで、ドローン飛行計画書に記載された緊急連絡体制に沿って関係各所へ連絡する。事故後の報告として報告書を作成し、再発防止に努める。
 
【4.6 の解説】
【3.6 熱画像による浮きの判定】に従い実施する。
【4.7 の解説】
赤外線調査実施者が作成する調査結果の報告書には、本文に示した9項目を含めた記載をする。
報告書には単に結果図だけではなく、【4.2.1 ドローンによる赤外線調査の適用条件】及び【3.2 赤外線調査の適用条件の把握】の下で適切に撮影されたことが後から確認できるようにしておく必要がある。【3.3 事前調査】で作成した「事前調査チェックリスト」を基に「赤外線調査による外壁調査時の適用条件に関するチェックリスト」(表3.7-1 参照)を作成し、さらに【4.5 調査の実施(打診との併用による確認を含む)】で得た調査日等における適用限界の確認等の項目を記入し報告書に添付する。
また、赤外線装置を設置した位置に関するものとして、赤外線装置による撮影距離や撮影角度等が確認できるよう、配置図に撮影位置(赤外線装置を設置した位置)を示した図面等を添付する。併せて使用した赤外線装置の型式を記載する。
赤外線調査は、手の届く範囲の外壁面を対象とした打診による調査結果を用いて適切に分析したことを確認する必要がある。したがって、外壁のどこの部分で打診による確認調査を実施したのかを確認できるよう、その箇所及び整合性確認結果(確認した熱画像と可視画像)を示す。
赤外線調査により撮影した熱画像には、壁面温度が確認できるよう分析時に設定した温度スケールを併せて表示する。
赤外線調査結果については、平面図に加え立面図に調査結果を図示するとともに、赤外線調査の適用範囲及び浮きの検出が困難な部位があった場合はその他の方法で調査を実施した箇所として明示する必要がある。また、画像の割付図などを作成して報告書に示すことも有効である(参考付録参照)。
ドローン調査安全管理者は、【4.4 調査計画書の作成】で作成した「ドローン飛行計画書」について、調査計画時に記載した内容と齟齬がないかを確認した上で報告書として添付する。
「ドローン飛行計画書」に記載する概要、調査方法、仕様・性能等、安全管理、承認の記載において、【3.7 の解説】の報告書の内容を重複する場合があるため、赤外線調査による報告書の内容と齟齬の無いように赤外線調査実施者と情報共有をしたうえで報告書をとりまとめることとする。なお、「ドローン飛行計画書」の参考例として、(一社)日本建築ドローン協会に
よる建築ドローン飛行管理責任者が作成する「ドローン飛行計画書」を例として図4.7-1 に示す。
外壁調査実施者が作成する外壁調査結果報告書は、本文に示した3項目を記載する。所有者等又は他の特定建築物調査員等が定期調査報告書を作成する際、この外壁調査結果報告書だけで調査結果が把握できるようにした。
外壁調査実施者は、告示に示された「2 建築物の外部 外壁 外装仕上げ材等(11)タイル、石貼り等(乾式工法によるものを除く。)、モルタル等の劣化及び損傷の状況」の判定基準「外壁タイル等に剥落等があること又は著しい白華、ひび割れ、浮き等があること」に基づき、赤外線調査実施者が作成する調査結果及びその他の方法で調査を実施する箇所があった場合は、その他の方法で調査を実施した結果を基に判定し、その結果を所有者等が適切に確認できるように記載する。
外壁調査実施者は、図4.7-2 に示すとおり外壁調査結果報告書及び赤外線調査実施者とドローン調査安全管理者が作成した調査結果の報告書を組み合わせて建築物所有者等へ提出する。
 
外壁調査結果報告書は、次回の全面打診等又は外壁改修時まで保管することが望ましい。
定期調査報告書を作成する特定建築物調査員等は、施行規則別記様式第三十六号の二様式(定期調査報告書)第一面3.調査者に外壁調査結果報告書にある調査者情報(資格、番号、氏名等)を転記する。国土交通省告示別記様式(特定建築物の調査結果表A4)には当該調査に関与した調査者欄に転記し、当該調査項目の担当調査者番号欄に調査者番号を記載する。
建築物所有者等は、作成された定期調査報告書等必要な書類を揃えて特定行政庁へ報告する。

 
<附属資料(参考)>
チェックリストA で電波環境、チェックリストB で建築物条件、環境条件を考慮して飛行の可否を判断する。次にドローン飛行が条件よって可能と判断された場合においては、対策C によってその条件を満たすためのドローンの飛行における安全対策や実施体制を検討する。
 

 
<参考付録>
調査結果図に掲載する画像の割付図と関係写真(熱画像と可視画像)の例
1.調査結果図の記載例
◆どの位置の写真(熱画像および可視画像)であるかが分かるように、立面図に割り付けが記載されている
◆赤外線調査を実施した箇所及びその他の方法で調査を実施した箇所を明示する。この建築物の例では、全ての開口部廻りを打診調査とし、地上から手の届く範囲を打診調査と赤外線調査の併用とした。
◆定期報告の外壁調査結果の資料として、別添1様式(A3)に記載すると、熱画像や可視画像との対応関係が確認しやすい。
 

 
図中、ピンクの点線で囲まれた部分の熱画像と可視画像の表示例を次ページ以降に示す。
 
2.熱画像と可視画像の記載例
2.1 東面No.13-01
別添2様式 関係写真(A4)
 

 
2. 熱画像と可視画像の記載例
2.2 東面No.42-01
別添2様式 関係写真(A4)
 

 
<引用文献>
1)(一財)日本建築防災協会、特定建築物定期調査業務基準(2021 年改訂版)、p.366、2021 年10月
2)(一社)日本建築ドローン協会、建築物へのドローン活用のための安全マニュアル(第3版)、p.204、2021 年8 月
3)(公社)ロングライフビル推進協会、タイル外壁及びモルタル塗り外壁 定期的診断マニュアル(改訂第3版)、p.85、2014 年8 月
4) 国土交通省、「平成30 年度建築基準整備促進事業(T3)非接触方式による外壁調査の診断手法及び調査基準に関する検討」、p.Ⅱ-2、2019 年3 月
5) 国立研究開発法人新エネルギー・産業技術総合開発機構、「規制の精緻化に向けたデジタル技術の開発ドローン等を活用した建築物の外壁の定期調査に係る技術開発」,2021 年3 月